Audio Frequency Separator
2020-08-27 | By Kaleb Kohlhase
License: Public Domain Capacitors Resistors Switches Wire
This project aims to help visualize how filters work with something you can listen to live. Here are the relevant posts I wrote about RF terminology and filters on Digi-Key's Technical Forum:
In Audio Engineering there are seven fundamental frequency groups in sound signals collectively called the audio spectrum: Sub-Bass, Bass, Low Midrange, Midrange, Upper Midrange, Presence, and Brilliance. Each range has unique values:
- Sub-Bass: 20-60Hz
- Bass: 60-250Hz
- Low Midrange: 250-500Hz
- Midrange: 500-2kHz
- Upper Midrange: 2-4kHz
- Presence: 4-6kHz
- Brilliance: 6-20kHz
The aim of the project is to be able to switch between these frequencies and actually listen to the difference in real-time. For reference, all the passive items like resistors, capacitors, and wire are shown below the post as part numbers. I had to find near approximates for some of the capacitance values since the calculations sometimes led to values that are not common. I used a reference design for a Butterworth filter as a starting point:
In short, the active filter uses three RC networks that act as low-pass filters. The operational amplifier increases the performance of the filter via positive feedback and boosts the signal based on the gain resistors (it is recommended that these two resistors are the same value for this kind of filter for a gain of 2).
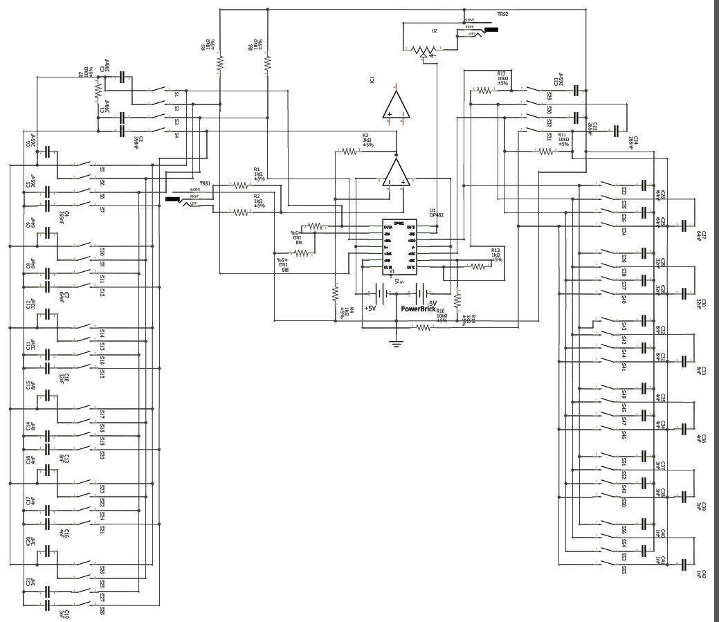
I had to come up with a way to use this design in a way where the cutoff frequencies were equal to the low and high limits of each audio frequency group and be able to switch between these ranges. I did make a slight change on the Sub-Bass limit because most instruments struggle to reach the 41Hz level, so I used 40Hz as a cutoff for that range. Here is the circuit schematic for my design:
I know this looks daunting, but I will explain how it functions and go through the various "sections" before providing a bread-board photo and bread-board diagram. The first section is an audio input and the adder op-amp:
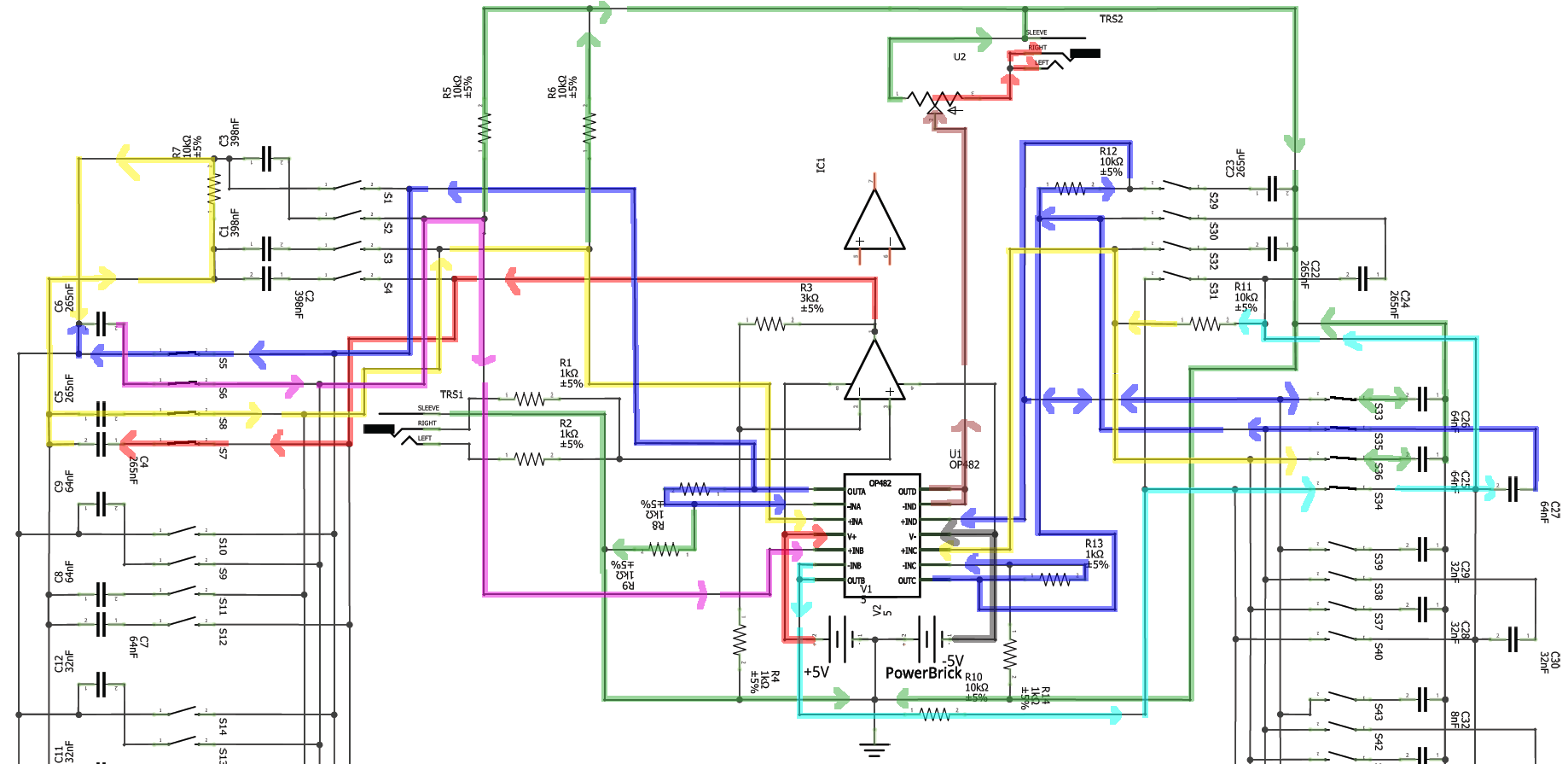
I added directional arrows to clearly show where current and voltage exists for this portion of the circuit. The item that says Sleeve, Right, and Left is the 3.5mm input for audio which is part number CP1-3523N-ND. All this part of the circuit does is combine the left and right audio channels (sometimes they are not synchronized since some songs are timed differently to make it sound like it moves around you. The 3kOhm resistor after the op-amp and the 1kOhm tied to ground is a pre-amplifier which allows the voltage to be boosted significantly before filtering (that is usually recommended as power will end up at a lower level after the RC networks). The voltage supply I drew in the schematic is actually part number 1286-1108-ND which can be connected to a USB power jack with a male Micro-USB to male USB cord. The first op-amp above the four circuit one is part number OP275GPZ-ND. The four circuit op-amp that is used beneath it is 296-14408-5-ND.
Now here is the intended "action" of the circuit: I found special switches that have a 4PST configuration that can activate four separate switches at once (GH7860-ND). One of the left-side switches is activated first that controls the high-pass filter stage then one of the right-side switches is activated which controls the low-pass filter stage which is then connected to a potentiometer (SPRU501C-ND) which is then passed on to the other 3.5mm jack (output). The jack's contacts are just tied together via wire to make sure audio comes out both channels. The potentiometer, I found, is necessary because the sound can get quite loud on some stages even if you have the volume turned down. Here is a diagram to show how this portion of the circuit works:
The sub-bass range required 398nF capacitors due to the 10kOhm resistors that I chose for 40Hz on the left side. The upper range is 60Hz which means the capacitors would have to be 265nF on the right side. Here are the calculations:
- 40Hz:
- 60Hz
It was tricky figuring out how to minimize the number of components used, but I thought of using switches to solve the issue of having too many resistors. All the filters use six total resistors at 10k ohm; three for the high-pass side and three for the low-pass side. The solution was clever wiring and switches, as you can see if you follow the lines above the current has nowhere else to go if all the other switches are open.
You will also notice on the 4-circuit op-amp that the bottom left output is tied to the -IN and the top right op-amp does the same. I mention this in the filter post, but I will say it again here for clarity. These are called "unity gain buffers" or "impedance bridges". The resistors and capacitors between stages (and the potentiometer) change the impedance causing a mismatch. These mismatches reduce the amount of power/current available to the output through rejected power via reflected waveforms in the wires. The impedance bridges convert from high impedance to low impedance, therefore, improving power.
Here is one more diagram to show how the second stage, the bass filter, works to show how the circuit avoids interfering with other filters after turning off the switches for the first stage. The second stage switches are then actuated:
Since the ending frequency of the sub-bass range is the start of the bass range, I didn't need new capacitor values for the left side. The right side uses new values since the new cutoff is 250Hz:
- 250Hz
To simplify the rest of the stages, the same things happen:
- Turn off the previous stage switches.
- Turn on the next stage switches.
- The new stage high-pass filter uses the same capacitor value as the low-pass filter of the previous stage.
- The capacitors and resistors are wired in a way where the three corresponding resistors can be re-used on the same side of the circuit.
- The new stage low-pass capacitor uses the same equation, a new frequency is just used each time on the left side of the equals sign each time.
In other words, I was able to "bus" certain lines with the switches so that the high-pass filters and low-pass filters function as groups of two.
Here is a Fritzing breadboard diagram to aid wiring a breadboard, I used two of these (1286-1220-ND) in my wiring:
Fritzing didn't have 4PST switches and in my wiring, I only used 7 switches because the switches I found actually have two 4PST switches on there. It is also missing the Power Brick since Fritzing didn't have that either (that is why I have a picture of my setup). Here is a list of quantities of parts:
- 10k Ohm Resistors: 6
- 1k Ohm Resistors: 7
- Audio Jacks: 2
- 2-Circuit Op-Amp: 1
- 4-Circuit Op-Amp: 1
- Wire Kit: 1528-1743-ND 1
- 500 Ohm Potentiometer: 1
- Two 4PST Circuit Switches: 7
- 3k Ohm Resistor: 1
- Power-Brick 5V Output: 1
- Breadboard Assembly: 2
- 0.39uF 500V Capacitors: 3
- 0.27uF 50V Capacitors: 6
- 0.068uF 50V Capacitors: 6
- 0.033uF 50V Capacitors: 6
- 8200pf 50V Capacitors: 6
- 3900pF 50V Capacitors: 6
- 3000pF 500V Capacitors: 6
- 1000pF 100V Capacitors: 3
Finally, here is my circuit setup picture:
The cord in the bottom left is going to my computer to power the Powerbrick, the audio jack on the bottom is the input, while the other one next to the potentiometer is the output. I was able to consolidate the switches and capacitors on one board on the right. I use a screwdriver to adjust the potentiometer. The way I wired the switches you just have to actuate the top switch and bottom switch per unit. You can also achieve different effects by selecting any top switch going from top to bottom and any bottom switch that is beneath that switch to get larger ranges. The overall cost with the parts I mentioned is about $174. Even though the price is a bit steep, I think it is worth it because it provides a physical way to learn about a more advanced topic and also explains how complex circuits are built and designed. Being able to actually listen to a frequency filter is a cool experience. This was for educational purposes only and will really only stay in the prototyping phase.

