Maker.io main logo

DIY Projects: What You Need to Build a 2D Boombox

177

2023-02-09 | By Maker.io Staff

License: See Original Project

Courtesy of TDK

The world's thinnest boombox was inspired by TDK's PiezoListen™, among the world's thinnest ‎piezoelectric speakers. ‎

When we invited Joe Grand (aka Kingpin) to design a product using TDK components, he was ‎intrigued by the idea of creating something using our PiezoListen speakers. He proposed using ‎them to design his own version of a 1980s-style boombox.‎

Grand's final boombox design is unique. It is 22 inches wide and 16 inches tall, but less than half ‎an inch thick. While every modern electronics system has a case or cabinet that houses and ‎protects the printed circuit board (PCB) and other product elements, Grand's boombox is the ‎board. ‎

boombox_1

Aesthetic choices drove some design and manufacturing decisions that added significant cost to ‎this project. Still, anyone else could use the same key elements to build an economical version ‎of the boombox. ‎

The key elements include: ‎

See Figure 1 for a full bill of materials (BOM)‎

bom_2

Figure 1: The bill of materials for the world's thinnest boombox. (Joe Grand, Grand Idea Studio). ‎

It Started with the Speakers

One manifestation of the piezoelectric effect is when an electric current is applied to a ‎material causing it to deform. It is possible to cycle the current to get the material not just to ‎deform but to vibrate at desired frequencies, effectively using the piezoelectric effect to create ‎sound. Piezoelectric speakers have a number of applications. Still, they are becoming ‎increasingly popular in automotive audio systems where their minimal size and light weight are ‎as important as their acoustic performance. ‎

TDK's PiezoListen speakers feature an operating frequency range of 400 to 20,000 Hz and ‎achieve a high sound pressure of 80 dB, even at low voltages. The speakers have a maximum ‎output power of 34 W. With thicknesses from 0.49 mm to 0.76 mm, PiezoListen devices are ‎among the thinnest piezo speakers available. For this project, Grand used the PHUA6630-076B ‎at 66 mm x 30 x mm and just 0.76 mm thick. ‎

speaker_3

Grand's boombox design affixes two PiezoListen speakers directly to the circuit board, in effect ‎turning the PCB itself into a speaker. ‎

design_4

Raspberry Pi Board

For system control, Grand selected a Raspberry Pi Zero 2 W, which the Raspberry Pi Foundation ‎describes as "the original $5 computer." The Pi Zero is based on Broadcom's BCM2835 chip ‎which incorporates a single-core, 1GHz ARM1176JZF-S processor. The Raspberry Pi Foundation ‎says the 2835 version used in the Pi Zero is 40% faster than similar processors used in previous ‎Pi modules. ‎

hardware_5

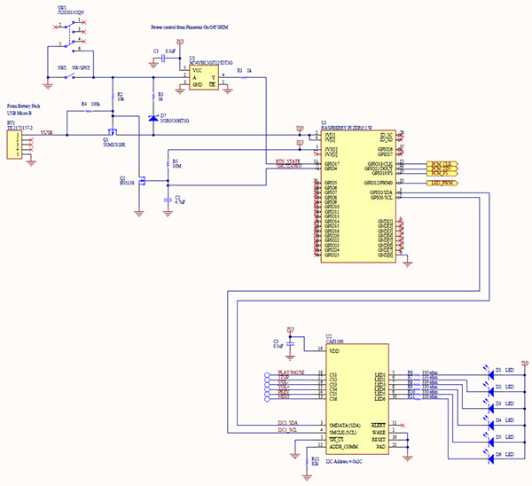
As shown in Figure 2, the Pi Zero 2 W controls the capacitive touch unit, the piezo driver and ‎stereo audio DAC (digital to analog converter), and the buffer for the boombox's LEDs. ‎

diagram_7

Figure 2: The hardware block diagram for the boombox shows the major elements of the design. ‎A Raspberry Pi Zero 2 W controls the board. ‎

Piezo Driver and DAC

Grand received a recommendation that TDK's PiezoListen pairs well with the LM48580 piezo ‎driver from Texas Instruments. ‎

The LM48580 is a fully differential, high-voltage driver for piezo actuators (and also for ‎ceramic speakers) for portable multimedia devices. TI says that the LM48580 Class H ‎architecture offers power savings compared to traditional Class AB amplifiers. It is a single ‎supply driver with an integrated boost converter which allows the device to deliver 30 VP-P ‎from a single 3.6 V supply. ‎

TI was also source for the DAC. Grand used the PCM5100A, a 100dB audio stereo DAC with a ‎‎32-bit, 384kHz PCM Interface. TI's PCM510xA devices use the latest generation of TI’s advanced ‎segment- DAC architecture, which the company says achieves "excellent dynamic performance ‎and improved tolerance to clock jitter." ‎

Capacitive Touch Driver, Buffer, and LEDs

Grand's design includes capacitive touch buttons for all the functions of the boombox ‎‎(play/pause, stop, volume up, volume down, next song, previous song). The driver he selected ‎was Microchip's CAP1166. The 1166 is a turnkey capacitive touch controller for low-cost touch ‎interfaces. It contains 6 LED drivers that offer full-on / off, variable rate blinking, and dimness ‎controls. ‎

A non-inverting buffer from Onsemi, the 74VHC1GT125, was selected to serve as a leveler for a ‎two dozen AdaFruit NeoPixel LEDs (SK6812 MINI-E) that the design called for embedding into ‎the PCB to make the PCB material glow from within. ‎

design_8

The Thickest Part

By one measure, the most important element of the design was the battery. The marquee ‎feature of the world's thinnest boombox is its depth. As the largest component in the boombox, ‎the size of the battery would determine exactly how thin the boombox would be. ‎

battery_10

Grand selected a Li-Polymer, 5V @ 2A, 5000mAh, battery that measured 123 x 66mm. Those ‎dimensions ultimately led to a boombox that was 0.45 inches (11.43 mm), which included a ‎protective frame that Grand also created out of PCB material to protect the components and ‎battery. ‎

block_11

Figure 3: The software block diagram for the boombox. Most of the software was open source. ‎Some code was modified.

Software Choices

Grand considers himself a hardware engineer who can code when he needs to, so going the ‎open-source route was a natural decision. ‎

Pi Zero comes with the Raspberry Pi OS of course. Grand turned to Pimoroni because it already ‎had software modules written for controlling the audio DAC, capacitive touch driver, and basic ‎VU meter, though he modified some of the code to fit his exact needs. ‎

For a music player, Grand chose Mopidy. Mopidy is an extensible music server written in ‎Python. Mopidy plays music from a local disk, and with extensions can support streaming ‎sources such as Spotify, SoundCloud, and TuneIn. Grand wrote a custom extension to allow the ‎capacitive touch buttons to directly control the Mopidy software.‎

The Boombox as a DIY Project

Grand has released the schematics and documentation of his boombox on his website ‎‎(http://www.grandideastudio.com/the-worlds-thinnest-boombox/). The design is open source ‎under a Creative Commons International license.‎

Grand's boombox has no case or cabinet. It lights up as if from within by virtue of its LEDs being ‎embedded directly in the PCB material. The face of the PCB is itself a piece of art. These were ‎some of the aesthetic choices mentioned earlier that had significant cost ramifications. ‎

box_12

Engineers or hobbyists looking to build their own versions of the world's thinnest boombox can ‎easily avoid those costs. ‎

 

Big Costs that Could Easily be Evaded ‎

Artwork: Grand elected to work with a friend of his, artist Mar Williams, to design the graphics ‎for the face of the boombox. Having seven different Pantone colors required seven solder mask ‎layers that had to be aligned precisely. ‎

Controlled depth milling: In order to get a boombox that lit up from within, Grand directed the ‎PCB manufacturer to mill cavities that go only part of the way through the PCB, rather than ‎drill through-holes. When the LEDs are inserted into the cavities and activated, their light ‎permeates the PCB material, giving it the appearance of being lit from within. ‎

Via-in-pad (VIP): A PCB manufacturing technique typically used with highly dense component ‎packages like microBGA or chip-scale in order for their signals to fan out properly to the PCB. ‎Essentially, the PCB's vias (inter-layer connections) are fabricated directly into the component's ‎landing pads instead of using traditional vias that stand alone on the PCB. VIP was required for ‎the piezo driver, so Grand decided to use it for all components on the board, thus hiding every ‎signal trace and connection.‎

Capacitive touch buttons: Traditional buttons would work just as well.

Objednací č. Mfr PHUA6630-076B-00-000
SPEAKER 2.2OHM 5W TOP PORT
TDK Corporation
3 127,61 Kč
View More Details
Objednací č. Mfr LM48580TL/NOPB
IC AMP CLASS H MONO 12DSBGA
Texas Instruments
34,94 Kč
View More Details
Objednací č. Mfr PCM5100APWR
IC DAC 16/24/32BIT 384K 20TSSOP
Texas Instruments
53,47 Kč
View More Details
Objednací č. Mfr CAP1166-1-BP-TR
IC TOUCH SENSOR/LED DRVR 20QFN
Microchip Technology
27,58 Kč
View More Details
Objednací č. Mfr M74VHC1GT125DT1G
IC BUFFER NON-INVERT 5.5V 5-TSOP
onsemi
10,53 Kč
View More Details
Objednací č. Mfr 4960
NEOPIXEL REVERSE MOUNT RGB LEDS
Adafruit Industries LLC
62,10 Kč
View More Details
Objednací č. Mfr SC1176
SBC 1.0GHZ 4 CORE 512MB RAM
Raspberry Pi
315,75 Kč
View More Details
Add all DigiKey Parts to Cart
Have questions or comments? Continue the conversation on TechForum, DigiKey's online community and technical resource.