Effectively Sense Temperature in IoT Applications Using Solid State Technology
Contributed By DigiKey's North American Editors
2019-01-29
The growth of Internet of Things (IoT) applications has increased the need for temperature sensors in consumer, residential, commercial, and industrial situations. While temperature may well be the most commonly measured physical variable, measuring it often presents challenges in terms of sensor type, as well as maintaining performance over time and environmental changes.
The classic temperature sensing technologies include thermistors, thermocouples, and resistance temperature detectors (RTDs). This article will describe the challenges facing designers when it comes to temperature measurement, and then compare these three sensing options. It will then describe a fourth option: solid state temperature sensors.
It will proceed to introduced suitable solid state temperature solutions and show how they can be used to meet IoT temperature measurement requirements.
The ongoing challenge of measuring temperature
Although temperature is easy to measure in principle, doing so effectively can be difficult in practice due to reasons of sensor accuracy, placement, power consumption, and the number of locations to be measured.
- Accuracy: Some IoT applications need performance to just ±2°C, while ±1°C is most common, though some precision applications may need higher performance to ±0.5°C or better.
- Placement: The actual siting of the sensor is often a dilemma, including how far can it be from the point of interest yet not degrade reading integrity, while also taking wire lengths into consideration.
- Power consumption: Many IoT applications operate from a limited power source such as a long-life battery or energy harvesting.
- Number of sensed locations: Some situations need to monitor only one or two points while others need to measure many more. This creates communication and cost issues, while adding to placement complexity and power consumption concerns.
Traditional sensors may not be a good fit
Thermocouples, RTDs, and thermistors are in wide use and are well suited for wired, non-IoT applications, as well as those where power is readily available. However, their primary attributes may be incompatible with diverse and dispersed IoT installations. This is the case despite the many high function interface ICs available to support them and designers’ in-depth experience in their application.
Each of these three approaches have their pros and cons:
- Thermocouples can provide excellent accuracy over a very wide range of temperatures to thousands of degrees, but require an auxiliary ambient temperature sensor for cold junction compensation (CJC). They also require sophisticated interface circuitry.
- The resistance temperature detector (RTD) is also quite accurate and has a fairly linear temperature versus resistance transfer function. However, it requires tens of milliamps of drive current and sophisticated drive and readout circuitry. It is also relatively expensive due to its use of platinum.
- Thermistors have a high change in resistance per degree of temperature change, which provides enhanced resolution. They are accurate and stable, and their small size results in a small thermal mass, resulting in a fast response time. However, unlike thermocouples and RTDs, there are no industry standards for their response curves, which is both good and bad. There are many thermistor types and ranges among which to choose, but interchangeability and replacement can be problematic.
Table 1 summarizes the key characteristics and attributes of thermocouples, RTDs, and thermistors, while Table 2 compares their relative strengths and weakness. As always, there is no single “best” temperature sensor, as each type represents a tradeoff of characteristics versus application objectives and priorities.
|
Table 1: The three widely used, traditional temperature sensors – thermocouple, RTD, and thermistor – have very different primary performance attributes. (Image source: Omega Engineering Inc.)
|
Table 2: A comparison of basic attributes shows thermocouples, RTDs, and thermistors each have a role to play depending upon the application requirements. (Image source: Omega Engineering Inc.)
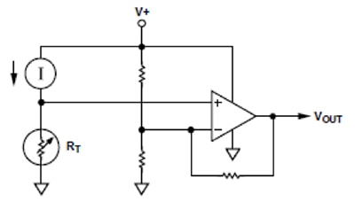
The inherent nonlinearity of thermocouples and thermistors mean that they require linearization (Figure 1). This can be accomplished via all-analog circuitry (less common in most new designs), a look-up table in memory, or an algorithm which provides a correcting calculation. However, doing this adds to the challenges of using them in basic IoT and multichannel applications.

Figure 1: A system using a thermocouple, RTD, or thermistor must compensate for their inherent nonlinearities, which differs in both the general shape of each type and specific models. (Image source: Omega Engineering Inc.)
While each of the advantages of thermistors, RTDs, and thermocouples make them ideal for specific applications, designers of IoT applications need a more generic solution. This implies one that can be quickly deployed at low cost and can maintain accuracy, performance, and response time in typical semiconductor application environments. As the numbers of sensors that need to be connected increases, ease of communication and configuration is also required.
These are some of the reasons why a solid state approach to sensing is proving to be attractive to IoT device designers.
Solid state sensors fit the IoT template
The concept of solid state sensors is not new, but it has been developed and improved dramatically over the years. The sensors begin with the well-known ideal diode equation which defines the relationship among diode current, voltage, and temperature, per Equation 1:
Equation 1
The thermal voltage Vt of a diode is the voltage developed across the P-N junction due to the effect of temperature. It is about 26 millivolts (mV) at room temperature. It is this relationship between thermal voltage and temperature which allows a diode to be used as the core of a temperature sensor.
However, the inherent and unavoidable nonlinearity of this relationship makes a basic diode difficult to use and act as a calibrated sensor. The addition of on-chip linearization circuitry allows solid state sensors to function as an effective choice for IoT applications. By adding components around the diode, these difficulties can be overcome to a point where the diode-based sensor is an attractive option.
The first mass market diode-based temperature IC was the AD590 from Analog Devices (Figure 2). This was first introduced several decades ago but has proven to be so useful that it is still available today in a wide range of packages, including two-lead through-hole flatpack, dual inline package (DIP), and a tiny surface mount housing.

Figure 2: The AD590 from Analog Devices is a two-terminal current sourcing temperature sensor that produces a linear 1 μA/K current proportional to absolute temperature. Here it is shown in a flatpack package with wire leads. (Image source: Analog Devices)
The sensor acts as a simple temperature dependent current source that produces an analog output current of 1 μA/K proportional to absolute temperature (PTAT). This output is laser trimmed to calibrate the device to deliver 298.2 μA at 298.2 K (25°C). The current output is relatively immune to noise and can be used in long wire runs, similar to a 4 - 20 mA current loop.
The AD590 operates from a +4 to +30 volt source, which is applied via the current output leads. Versions are available to meet accuracy specifications ranging from ±2°C down to ±0.5°C, over the -55°C to 150°C operating range. Many IoT applications only require a limited and perhaps less accurate reading, so a less costly version would be suitable.
In the decades since the AD590 series was introduced, many variations based on the original concept have been introduced. For example, in many designs, the basic current output is inconvenient because it requires a current-to-voltage or current-to-digital conversion to be useful.
These factors led to the introduction of such sensors such as the Analog Devices AD22100. This provides a linear voltage output proportional to temperature × V+, with a temperature coefficient of 22.5 mV/°C (Figure 3). No trimming is required over the -55°C to 150°C range. Accuracy is at least ±2% of full scale, while linearity is better than ±1% of full scale.

Figure 3: This functional block diagram of the AD22100 shows how the temperature dependent current output is converted into a precisely scaled voltage via its internal op amp. (Image source: Analog Devices)
Due to its ratiometric nature, it is easy to interface the AD22100 to an analog-to-digital converter (ADC) by using the AD22100’s 5 volt power supply as a reference for the ADC (Figure 4). This eliminates the need for a precision voltage reference. With a single +5.0 V supply, the output ranges from 0.25 V at −50°C to +4.75 V at +150°C.

Figure 4: The voltage output of the Analog Devices AD22100 solid state sensor is well suited to interface directly to an ADC. (Image source: Analog Devices)
Other diode-based solid state sensors are available which include the A/D converter, usually with an I2C or SMBus interface to the system processor. As temperature is a relatively slowly changing variable, the converter can be slow with high resolution (18 to 22 bits) and operate at very low power. These can be effective solutions when only one or a few channels are needed.
In applications where many channels are needed, such as monitoring various possible “hot spots” in a system, it may be sensible to employ low-cost sensors and share the conversion circuitry. The least expensive sensor available is the basic diode (in practice the diode junction of a low-performance transistor), but its nonlinearities make it difficult to use.
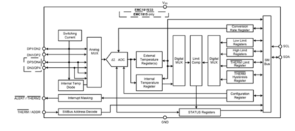
To overcome these concerns, ICs such as Microchip Technology’s EMC181x series support multiple transistors and add needed features to make the transistor’s diode output linear and accurate, while also digitizing it. When external transistors are added, devices in this family (EMC1812/13/14/15/33) function as high accuracy, 2-wire multichannel temperature sensors with an SMBus/I2C interface (Figure 5).

Figure 5: The Microchip Technology EMC181x family of interface ICs has one internal diode (transistor) sensor and between one and four external diode sensors. This greatly simplifies the task of multichannel measurement by minimizing wiring and interface components. (Image source: Microchip Technology Inc.)
Each IC in the series includes an internal temperature sensor (±1°C maximum accuracy, -40°C to +125°C) as well as connections for external sensing channels. The EMC1812 has one external diode channel, up to the EMC1815 which has four external channels.
To ensure accuracy and avoid the need for calibration, these ICs include several advanced features. For example, resistance error correction (REC) automatically eliminates the temperature error caused by lead series resistance, allowing for greater flexibility in routing the sensing diodes. Another feature, called beta compensation, eliminates temperature errors caused by low, variable beta transistors that are widely available. The result is ±1°C measurement accuracy and 0.125°C resolution for the external diode readings.
Integration brings more processing and configuration flexibility
The EMC181x series goes beyond just measurement and reporting to a system processor. They include features which offload a processor from the need to keep checking on temperature, such as user-settable per-channel threshold alerts and rate-of-change measurement alerts, yet the internal complexity of these ICs is transparent to the user (Figure 6). As a result, the processor burden of monitoring and judging the situation across the multiple reading points is greatly reduced while user flexibility is retained.
Figure 6: Within the EMC181x family of ICs are registers for storing user-set per-channel values for thresholds and trend alarms. (Image source: Microchip Technology Inc.)
Solid state sensor ICs can also be designed to provide higher accuracy than the more common ±0.5 to ±1°C rating of most such devices. A good example of this is the TMP117 from Texas Instruments (Figure 7).

Figure 7: With its guaranteed accuracy of ±0.1°C from -20°C to 50°C, the TMP117 from Texas Instruments is certified to meet critical medical standards; it is also well suited for the many IoT applications with limited range-span needs. (Image source: Texas Instruments)
This is a high precision digital temperature sensor targeted at (but not limited to) electronic patient thermometers. For this application it is designed and qualified to ASTM E1112 and ISO 80601 requirements. Other applications include environmental monitoring, high-performance thermostats, wearables, asset tracking, cold chain monitoring, and gas/heat meters.
The TMP117 provides a 16-bit temperature result with a resolution of 0.0078°C (18-bits) and an accuracy of up to ±0.1°C across the temperature range of -20°C to 50°C with no need for calibration. This is a relatively limited range, but one which is sufficient for many applications. Its accuracy is still high, with a maximum error of ±0.3°C from –55°C to +150°C.
The TMP117 digitizes the temperature reading at a rate of 1 Hertz (Hz) and provides the results via I2C and SMBus™-compatible interfaces. Up to four of these ICs can be supported on a single bus. To reduce the processor burden, it includes
a programmable threshold alert function. As many of its target applications are battery powered with limited energy capacity, it’s important to note that the TMP117 runs off a 1.8 to 5.5 volt supply, and typically draws 3.5 microamperes (µA) with a 150 nanoamperes (nA) shutdown current. It is also small, housed in a 6-lead, 2.00 mm by 2.00 mm WSON package.
Ensuring sensor and system performance
Choosing a sensor with the right specification and then using it appropriately are two related but somewhat independent issues. When choosing a temperature sensor, the basic question is always over what range it must provide valid readings.
Once this is determined, there are questions related to required absolute accuracy, precision and resolution, and linearity over the entire range. Some applications are more concerned with “seeing” a small change in temperature rather than knowing its accurate value; for others, absolute accuracy of reading is more critical. The designer must carefully consider what level of performance is needed in each parameter. The situation is more complicated when higher accuracy is needed in a narrow zone of interest, while less is needed further away from that zone.
Data sheets for temperature sensors come with a few broad claims such as “accuracy of ±1°C from –55°C to +150°C,” but also provide many detailed performance tables and graphs. These expand the high-level statement for users to provide context and indicate, for example, which specifications are typical numbers and which are minimum or maximum numbers. They will also show the linearity curve of the sensor, as its performance will differ in the various zones of its full range. Also, the reading’s precision is usually constant throughout the range while the absolute accuracy is not; this is usually not a concern where the system objective is primarily to report small changes around sensed values.
Placement of the sensor is also an issue. It needs to be near the point or area of interest, of course, but the issue is exactly where and how near. In some cases, the sensor must be physically connected to the items being sensed (such as the frame of a motor which may overheat); in comparison, for an enclosure, it needs to be “somewhere” in the box. Even that “somewhere” can be challenging to determine, as being directly in the airflow may yield a reading which differs significantly from being near a hot component.
For this reason, many advanced designs use multiple sensors to create a real-time thermal “map” of the system as it operates, measuring critical localized hot spots as well as the overall system temperature. This scenario does not just apply to small enclosures or chassis. IoT applications which need one or more temperature-sensed points include HVAC, water heaters, energy management, security, appliance monitoring, and other overheating scenarios. Differences between these readings, and especially changes in those differences, can indicate problems.
There are two other favorable points about these solid state sensors for IoT applications. First, their small size and low mass means they have minimal thermal impact on the point or object being measured, and do not appreciably change the temperature rise/fall rate. Second, their low power dissipation means that their self-heating is also negligible, so the reading is not corrupted by the sensor’s own thermal emissions.
Conclusion
While traditional sensors have their advantages in specific applications, such as extremely high temperatures in the case of thermocouples, such extremes are rarely a concern for most IoT applications.
This opens the door to solid state temperature sensors due to their fairly high accuracy and resolution, low power requirements, small size, and increasing levels of functionality. Both single and multichannel IoT applications can easily interface with these solid state devices, providing accurate and precise readings.
Disclaimer: The opinions, beliefs, and viewpoints expressed by the various authors and/or forum participants on this website do not necessarily reflect the opinions, beliefs, and viewpoints of DigiKey or official policies of DigiKey.



