How to Properly Implement Audible Alarms in Medical Monitoring
Contributed By DigiKey's North American Editors
2020-07-22
Audio signals are an inherent and natural part of the human-machine interface (HMI) with medical instrumentation. Whether it’s for a modest home-use blood pressure monitor or for a sophisticated array of instruments—such as pulse rate monitors, cardiac waveform (EKG) devices, infusion pumps and respirators, as well as ventilators, blood oxygen oximeters, and more—in a formal hospital setting, audio signaling is key to informing users of patient status, trends, critical/risk situations, and equipment operating conditions.
However, the different individual sounds from the various types of equipment—as well as their resulting aggregation—can lead to misunderstandings, confusion, missed alarms, and even life-threatening mistakes in emergencies. To bring order to this audio cacophony, ISO/IEC 60601-1-8 established a framework defining what sounds (by pitch and sequence) medical electrical equipment should make and under what circumstances, ranging from routine functioning and ongoing monitoring to critical alarm situations. It allows for basic sounds from buzzers to more complicated audio sequences such as melodies or tunes, and even spoken messages.
As device makers continue to integrate more functions into each piece of medical electrical equipment, they also need to make provisions for incorporating more types of warning sounds. The task of the circuit design engineer is to ensure that suitable hardware—such as a loudspeaker or annunciator, its driver/amplifier, and physical installation—is provided to create the specified sound patterns needed to provide consistency and avoid ambiguity in this often stressful environment.
This article does not delve into the intricacies of IEC 60601-1-8; like all IEC standards it is complicated and requires careful study of its many mandates as well as exceptions. Instead, this article discusses using a basic annunciator and loudspeaker. Examples from Mallory Sonalert Products and PUI Audio will be used and the article will show how they can be applied to fulfill the hardware aspects of the standard.
ISO/IEC 60601-1-8 alarm system basics
The document ISO/IEC 60601-1-8 “Medical electrical equipment – Part 1-8: General requirements for basic safety and essential performance” is a detailed, 71-page standard that specifies performance requirements as well as tests for alarm systems. Note that these alarms can be both visual and audible, although the bulk of the standard is devoted to audible alarms. The standard does call out specific melody patterns, mnemonic lyrics, and the rationale for the mapping of the melody to the alarm for many situations (Table 1). Various industry experts have even posted audio files with representative examples (see Reference from the University of Sydney, Australia, for one example).
Table 1: The IEC 60601-1-8 standard includes melody patterns, and some sources have added mnemonic lyrics along with the rationale for associating a melody to an alarm lyric. (Image source: Pennsylvania State University)
Given the complexity of modern medical electronics, there is no single “best” solution for which sound(s) to create under all circumstances, as shown by acoustic and cognitive issues that researchers have summarized (Table 2).
Table 2: Every sound and sound pattern has acoustic and cognitive issues, and these vary with individual and setting. (Image source: US National Library of Medicine, National Institutes of Health)
Alarms are divided into two broad types: physiological alarms, which are related to the patient condition; and technical alarms, which are related to the equipment status. The latter encompasses a wide range of conditions such as low battery, disconnected leads, or kinked tubing.
While it is important to get the attention of the medical staff, it must be done with the appropriate level of alarm and immediacy. Obviously, it is a different level of criticality when a battery has 20 or 30 minutes of remaining charge compared to it having only a minute or two of remaining charge. For this and other reasons, IEC 60601-1-8 defines three different hazard levels:
- Danger: Indicates a hazard with a high level of risk which, if not avoided, will result in death or serious injury
- Warning: Indicates a hazard with a medium level of risk which, if not avoided, could result in death or serious injury
- Caution: Indicates a hazard with a low level of risk which, if not avoided, could result in minor or moderate injury
One of the many objectives of the standard is to match the produced audio with the hazard level, so as not to induce an unnecessary danger indication in a caution situation, while also not downplaying or misleading with respect to genuine dangers.
As a comprehensive specification, it also covers which kinds of medical conditions should trigger an audible warning sound. It defines the specific frequency, rise/fall time, waveshape, sound level in decibels (dB), pulse width, repetition rate, and harmonics of each sound, while still leaving flexibility to the equipment maker.
For example, it mandates that an individual sound pulse must have a fundamental frequency (pitch) between 150 to 1000 hertz (Hz) with at least four harmonics (overtones), and these harmonics must have an amplitude within 15 dB of the amplitude of the fundamental frequency (Figure 1).
Figure 1: The IEC 60601-1-8 standard requires that a tone have a fundamental frequency in the range of 150 to 1000 Hz with at least four harmonics within 15 dB of the amplitude of the fundamental frequency. (Image source: Mallory Sonalert Products)
The standard is also concerned about a harsh reality of the medical environment: the occurrence of false alarms, which outside researchers have documented as being anywhere from 10 percent to as high as 90 percent in some cases. The normal reaction of personnel to excessive false alarms is to disable the alarm function so it does not sound any more, which IEC standard does allow.
Given the many possible audio sources, alarms, and sounds, there is also the issue of “acoustic masking.” This is where concurrent alarms cause one or more of the alarms to become inaudible due to human sensory limitations; it is the audio parallel to something becoming invisible to an observer due to visual overload and clutter. One solution is to use actual spoken words in addition to tones or sound patterns for high-level, extra-critical alarms, as words will likely stand out from the cacophony.
This masking risk is one of the reasons that many cockpits in modern aircraft—which is an alarm environment similar to an operating room or intensive care unit (ICU)—use short and dramatic voice messages to warn of dangerous situations. Among the aircraft warnings are: "Pull up! Pull up!", "Caution, terrain!", “Stall Imminent!”, "Windshear! Windshear!", "Traffic! Traffic!", and "Descend! Descend!" (see References from Aircraft Owners and Pilots Association and Wikipedia for a discussion).
Start with a basic buzz
For simple, single-function medical devices such as a home-based blood pressure monitor for a non-technical casual user, there is little need or desire for complicated audio outputs. In this situation, the audio indications are simple buzzing sounds to indicate a few conditions such as “unit not properly positioned”; “problem with unit” (which may include a low battery warning); and “reading completed.”
These modest requirements can be met with a basic, internally driven, magnetic buzzer such as the ASI09N27M-05Q from Mallory Sonalert Products (Figure 2). This surface mount technology (SMT) device measures 8 × 9 millimeters (mm) and 5 mm high and operates from a single 3.0 to 7.0 volt supply (5 volts nominal). It delivers an audio tone of 2700 ±300 Hz with a sound pressure level of 80 dB at 10 centimeters (cm) when operating from the nominal supply voltage, while drawing 30 milliamps (mA).
Figure 2: A magnetic single-tone buzzer such as the ASI09N27M-05Q with internal drive circuit is easy to use and is all that is needed in some simple medical device applications. (Image source: Mallory Sonalert Products)
Due to its internal driver, there is no need for an external audio source or waveform. A gated DC voltage is all that is required for operation; even a low-end discrete transistor can be used to switch the voltage source and current. Though the unit operates at a fixed fundamental frequency, it can also create standard-acceptable harmonics (up to the fourth overtone) if it is housed in a suitably sized resonant enclosure.
Loudspeakers deliver tunes, melodies, spoken audio
Many types of medical electric equipment need to create more complicated tone sequences and melodies than a basic single-tone buzzer can provide; this also applies to non-mandated spoken word alarms. For these situations, a loudspeaker (or just “speaker”) can deliver sound having frequency components spanning some or most of the audio band—generally considered to be 20 Hz to 20 kilohertz (kHz)—with reasonable to very good fidelity and low distortion.
The sound pressure level (SPL) that these speakers deliver is a function of the frequency, the speaker efficiency, and the level of the drive signal level. Speakers are available in a wide range of styles, with different sizes, frequency response curves, packaging, connections, and ruggedness ratings; nearly all have either a 4 ohm (Ω) or 8 Ω nominal impedance.
For example, the general purpose AS02008MR-5-R speaker from PUI Audio is an 8 Ω speaker with a 500 milliwatt (mW) power rating (800 mW maximum), which delivers up to 86 dB SPL at the nominal power level (Figure 3). Its 3 dB bandwidth of 500 Hz to 4 kHz (at 5% total harmonic distortion (THD)) covers the part of the spoken word audio band needed for intelligibility. The small, thin-profile speaker has a diameter of 20 mm, a height of 3.80 mm, and weighs 2.4 grams. It uses polyethylene terephthalate (PET) for the cone material, along with powerful NdFeB magnets to achieve this performance in a small, light package.
Figure 3: The general purpose AS02008MR-5-R speaker is a small, slim-profile speaker that can provide the loudness and bandwidth needed for understanding spoken word alarms and messages. (Image source: PUI Audio)
For applications that need higher fidelity and enhanced frequency response, the PUI Audio AS03208MS-3-R is an 8 Ω general purpose speaker that can handle up to 3 watts over the frequency range of 200 Hz to 20 kHz (90% of the audio band) and deliver up to 85 dB SPL (Figure 4).
Figure 4: For higher fidelity, the AS03208MS-3-R 8 Ω speaker offers a response down to 200 Hz and up to 20 kHz. (Image source: PUI Audio)
It comes with a rubber cone surround and a square, non-resonant frame. The speaker face is IP65 rated so it is dust-tight and protected against water projected from a nozzle (although it is not totally waterproof)—a necessity in some medical environments (Figure 5).
Figure 5: The AS03208MS-3 speaker includes a square frame and has a rubber surround for the cone to make it dust-tight and splash-resistant, per the IP65 standard. (Image source: PUI Audio)
The AS03208MS-3-R speaker measures 32 × 32 × 16.5 mm, needs just 1.5 mm of cone excursion room, and includes contacts for attaching discrete lead wires.
Good audio: more than just the speaker
Selecting the most suitable speaker is only part of the design challenge of meeting required audio performance. The speaker mounting and enclosure are also important elements. The speaker should be mounted such that a seal is created along the outer edges of its frame. This reduces the back-to-front pressure-wave cancellation that will occur when the sound waves from the front of the speaker’s diaphragm/cone interact with the sound waves from the back of its diaphragm/cone. It is more likely to be a problem in the critical area below 1 kHz.
Another critical specification for a speaker or other audio output source is its self-resonant frequency. This indicates, among other things, where the speaker is most efficient at transforming electrical input power to actual sound pressure level. Mounting the speaker within an enclosure will improve performance at and below the resonant frequency of a speaker. For the AS02008MR-5-R, this resonant frequency is 500 Hz ±20%, so it is capable of good low-frequency performance. The self-resonant frequency also guides the design of the enclosure to avoid initiation of unwanted speaker buzzing and rattling due to mechanical resonance with the speaker itself.
It is also important to be aware of the electrical input power level and waveform. Speakers have two power ratings: average (continuous) and maximum. When the signal to the speaker is not a sine wave, the power may exceed the maximum rated power specification. The rated power is determined by a simple formula:
Power = (Peak Volt)2/Impedance
Exceeding this power rating (which is not the same as maximum instantaneous power used with voice or music power) can cause damage over time including broken voice coil “tinsel” leads—a burned voice coil that causes an open circuit in load resistance—or a deformed voice coil “former” (a rigid cylinder around which the voice coil wire is wrapped), which locks the voice coil in the magnetic motor.
Kits speed speaker evaluation
It can be confusing and time consuming to purchase multiple individual speakers, connect them to an amplifier, and evaluate their audio performance and mechanical fit, especially for spoken word alarms. To ease the task, evaluation kits such as the PUI Audio 668-1692-KIT are available (Figure 6). It includes eight conventional speakers of different power ratings and impedances (4 Ω and 8 Ω).
Figure 6: The 668-1692-KIT audio amp and speaker kit includes a selection of different speaker types (with varying sizes, power ratings, and impedances) to accelerate the evaluation of speakers in an end application. (Image source: PUI Audio)
The kit also includes the PUI Audio ASX02104-R exciter, a 4 Ω audio generating device with a 21 mm diameter and 8.5 mm height. It is rated at 250 mW input power with a 72 dB average SPL, and covers frequencies ranging from 640 Hz to 10.5 kHz (Figure 7).
Figure 7: The ASX02104-R exciter in the 668-1692-KIT evaluation kit is more than just a speaker, as it includes the resonant chamber and sound-emitting enclosure. (Image source: PUI Audio)
An exciter is a self-contained audio source which avoids some of the challenges of using speakers as there is no need for a resonant chamber, no worries about environmental damage to the speaker, and no need to change the look of the product to the meet the need for speaker holes. It is driven just like a speaker and is water and dust proof, further enhancing its applicability to some medical equipment.
For the active electronics to drive the speakers or the exciter, the kit also includes the PUI Audio AMP2X15 audio amplification board (Figure 8). This Class-D audio amplifier delivers one-channel (mono) or two-channel (stereo) audio at 15 W/channel into 8 Ω loads. The board measures 76.2 × 50.8 × 20 mm and operates from a single 9.5 volt to 20 volt supply.
Figure 8: Included in the 668-1692-KIT evaluation kit is the AMP2X15, a complete, ready-to-use, two-channel Class-D audio amplifier that can deliver up to 15 W/channel. (Image source: PUI Audio)
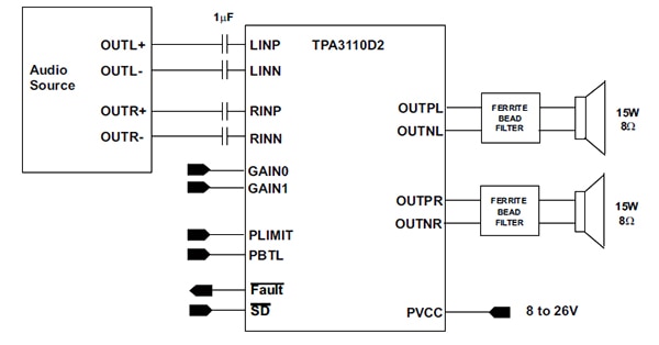
The core of the AMP2X15 is the Texas Instruments TPA3110D2 Class D amplifier IC for maximum signal fidelity (Figure 9). This 28-lead HTSSOP IC is capable of delivering 30 watts of power into a mono 4 Ω load, and 15 watt/channel into 8 Ω loads using a unipolar 16 volt DC supply, although it can operate from an 8 to 26 volt DC supply.
Figure 9: The amplification and other features of the AMP2X15 audio amplification board are provided by the TPA3110D2 Class-D audio amplifier IC, which provides power into speaker loads with low distortion and high efficiency. (Image source: Texas Instruments)
Conclusion
There is no doubt that understanding and meeting the audio alarm complexities and subtleties of the IEC 60601-1-8 standard for medical electrical equipment and systems can be a daunting challenge. Even experts have differing opinions on how to implement its guidelines, and which sound patterns and types (e.g., buzzer, melody, or spoken word) are the most suitable for each scenario and user situation.
Fortunately, the hardware side of implementing an audible alarm is more direct. There are many small, high-performance, easy-to-use buzzers and speakers available that offer design engineers a wide selection with clear performance attributes and minimum design-in headaches. These make the hardware aspects of adding audio capability to medical equipment fairly straightforward, as long as basic audio and mechanical guidelines are taken into account and followed.
Further Reading
- Mallory Sonalert, Technical Bulletin No. 06-09, “Controlling Sound Level Using a Potentiometer”
- “The Invisible Speaker –PUI Audio eXciters”
- “PUI Audio Speakers & IEC 60601-1-8: How to Choose the Right Speaker”
Disclaimer: The opinions, beliefs, and viewpoints expressed by the various authors and/or forum participants on this website do not necessarily reflect the opinions, beliefs, and viewpoints of DigiKey or official policies of DigiKey.




