Jaké podpůrné produkty jsou potřeba k dosažení maximálního účinku používání VFD a VSD? Část 2
Contributed By DigiKey's North American Editors
2024-08-09
Část 1 této série článků se zabývala tím, co je třeba vzít v úvahu při výběru kabelů pro připojení motoru, výstupních tlumivek, brzdových rezistorů, síťových tlumivek a síťových filtrů. Část 2 pokračuje pohledem na rozdíly mezi VSD/VFD a servopohony, přehledem použití AC a DC rotačních a lineárních servomotorů, úvahami o tom, kde se v průmyslových provozech hodí jednotky s měkkým rozběhem a zastavením, a pohledem na to, jak se DC měniče používají k napájení periferních zařízení, jako jsou senzory, rozhraní člověk-stroj („human-machine interface“, HMI) a bezpečnostní zařízení.
Pohony s proměnnými otáčkami a pohony s proměnnou frekvencí („variable speed drives“, VSD, a „variable frequency drives“, VFD) jsou nezbytné pro maximalizaci efektivity a udržitelnosti průmyslových provozů, ale nejsou jedinými dostupnými nástroji. K dosažení maximální výkonnosti musí být VSD/VFD často doplněny o další zařízení, jako jsou servopohony a motory, jednotky s měkkým rozběhem a zastavením, měniče stejnosměrného proudu („direct current“, DC) a zdroje nepřerušitelného napájení („uninterruptible power supplies“, UPS) se stejnosměrným vstupem („direct current“, DC), aby bylo dosaženo optimální architektury průmyslové automatizace.
Střídavé a stejnosměrné servomotory a pohony jsou vhodné pro různé aplikace, od jednoduchých úloh s 1 nebo 2 osami až po složité úlohy s 256 nebo více osami pohybu. Servomotorem řízené aktuátory zajišťují přesné a opakovatelné pohyby pro průmyslové stroje a jsou k dispozici s konfiguracemi rotačního a lineárního pohybu.
Aplikace s konstantními otáčkami, jako jsou dopravníky, čerpadla a mostové jeřáby, mohou namísto VSD/VFD častou využít jednotky s měkkým rozběhem a zastavením.
V závislosti na požadavcích aplikace si konstruktéři mohou vybrat mezi záložními stejnosměrnými napájecími zdroji, napájecím zdrojem třídy 2, jak je definován v americkém elektrickém zákoně („National Electric Code“, NEC), nebo stejnosměrným zdrojem UPS, které zvládají nepředvídatelné napájení ze sítě a zlepšují spolehlivost systému.
Tento článek začíná pohledem na rozdíly mezi VSD/VFD a servopohony, dále je v něm pojednáváno o použití střídavých a stejnosměrných rotačních a lineárních servomotorů a zvažováno, kam se v průmyslových provozech hodí jednotky s měkkým rozběhem a zastavením. Pokračuje přehledem, jak se stejnosměrné měniče používají k napájení periferních zařízení, jako jsou senzory, rozhraní člověk-stroj a bezpečnostní zařízení. V článku se zkoumá, kdy k napájení těchto zařízení použít záložní stejnosměrnou architekturu nebo stejnosměrný zdroj UPS a také volbu mezi baterií a superkondenzátorem pro ukládání energie. Jednotlivé případy představují reprezentativní zařízení od společností Schneider Electric, Omron, Lin Engineering a Siemens.
Systémy servomotorů mohou v architektuře průmyslové automatizace doplňovat VSD/VFD. Systémy servomotorů jsou určeny pro komplexní a dynamické pohybové systémy a mohou podporovat přesné polohování. Servopohony se používají s motory s permanentními magnety a kodéry pro řízení v uzavřené smyčce. Jsou navrženy tak, aby podporovaly rychlé zrychlení a zpomalení a mohou podporovat lineární nebo nelineární profily pohybu.
Mnoho VSD/VFD používá k řízení otáček motoru otevřenou smyčku. Nepodporují přesnost ani rychlost odezvy, které jsou k dispozici u systémů servomotorů. Navíc řízení motoru s otevřenou smyčkou znamená, že VSD/VFD nemusí nutně kompenzovat změnu zátěže nebo zastavení motoru. Zatímco systémy servomotorů se používají ve vysoce dynamických aplikacích, VSD/VFD se používají v aplikacích, které udržují konstantní otáčky nebo relativně málo změn otáček po dlouhou dobu.
Systémy servomotorů bývají menší než pohony VSD/VFD, s typickými úrovněmi výkonu od 40 do 5 000 W. Vyznačují se vysokými otáčkami, až 5 000 ot./min, nízkou hlučností, nízkými vibracemi a vysokým točivým momentem. Servomotory jsou k dispozici v různých velikostech rámu až do 180 mm nebo větších. Například model SBL40D1-04 od společnosti Lin Engineering je 40mm, 60W bezkartáčový stejnosměrný („brushless direct current“, BLDC) servomotor se jmenovitým napětím 36 VDC.
Servomotory jsou často spojovány s pohony. Společnost Schneider Electric nabízí pohon LXM28AU07M3X a servomotor BCH2LF0733CA5C s 5 000 ot./min, oba se jmenovitým výkonem 750 W (obrázek 1). Pohon má integrovaná komunikační rozhraní CANopen a CANmotion a může pracovat s jednofázovým nebo třífázovým napájením. Doprovodný 80mm motor má krytí IP65 a může pracovat od −20 °C do +40 °C.
Obrázek 1: Sladěný servopohon 750 W a motor s krytím IP65. (Zdroj obrázku: společnost Schneider Electric)
Lineární a kartézský pohyb
Lineární pohyb se používá v různých průmyslových procesech, od potahování materiálů a 3D tisku až po kontrolní systémy, a je k dispozici v několika provedeních. Některé jsou založeny na rotačních krokových motorech, zatímco jiné konstrukce používají lineární motory. Rotační krokové motory vytvářejí lineární pohyb pomocí hřídele se závitem. Existují dvě základní provedení, s vnější maticí a vnitřní maticí, někdy nazývané neupevněné.
Matice je v lineárním pohonu s vnější maticí namontována na hřídeli se závitem. Hřídel je na obou koncích upevněna. Jak se krokový motor otáčí, matice se pohybuje po hřídeli tam a zpět a nese pohybující se předmět (užitečné zatížení). V neupevněném provedení je užitečné zatížení připevněno k motoru. Hřídel je upevněna na obou koncích a motor nesoucí užitečné zatížení se pohybuje podél hřídele.
Lineární pohybové stupně s vysoce účinnými lineárními motory s železným jádrem, magnetickými drahami a technologií absolutního kodéru mohou zajistit opakovatelnou submikronovou přesnost, zrychlení 5G a pohyb rychlostí až 5 m/s pro vysokorychlostní průmyslové aplikace. Na rozdíl od konstrukcí se hřídelí se závitem mohou lineární motory poskytovat vyšší přesnost polohování a rychlejší pohyb.
Mechanické části lineárních pohybových stupňů mohou být k ochraně před vnějším prostředím zabaleny do vysoce uzavřených konstrukcí. Společnost Omron nabízí lineární pohybové stupně založené na motorech se železným jádrem v rozsahu od šířky aktivního magnetu 30 mm a tří cívek až po šířku aktivního magnetu 110 mm a 15 cívek. Jsou dimenzovány na sílu od 48 N do 760 N.
Motor lineárního aktuátoru R88L-EA-AF-0303-0686 je k dispozici v provedení 230 V a 400 V. Má jmenovitou sílu 48 N a špičkovou sílu 105 N. Lze ho řídit pomocí servoovladače R88D-KN02H-ECT, který zahrnuje komunikaci EtherCAT pro integraci do průmyslových sítí. Pro zajištění pohybu v kartézském souřadnicovém systému lze stohovat dva lineární pohybové stupně (obrázek 2).
Obrázek 2: Dva lineární motorové stupně lze stohovat na sebe pro podporu kartézského pohybu. (Zdroj obrázku: společnost Omron)
Jednotky s měkkým rozběhem a zastavením
Zatímco VFD/VSD a servopohony řídí otáčky a točivý moment motoru za chodu, jednotky s měkkým rozběhem a zastavením omezují náběh proudu při spouštění motoru, aby ho chránily a poskytovaly plynulý náběh otáček a točivého momentu. Zajišťují plynulé snižování otáček při zastavení motoru. Chrání také mechanické součásti v systému před poškozujícími skoky točivého momentu při rozběhu nebo zastavování.
Jednotka měkkého rozběhu a zastavení motoru může být přínosem pro aplikace, jako jsou dopravníky, čerpadla, ventilátory, mostové jeřáby a automatické dveře, které nepotřebují vysoké úrovně rozběhového momentu a běží při konstantních otáčkách. Řízené a předvídatelné změny otáček rovněž zvyšují bezpečnost obsluhy.
Rychlost rozběhu a zastavení motoru je řízena pomocí polovodičových zařízení, jako jsou křemíkem řízené usměrňovače („silicon-controlled rectifier“, SCR), které řídí napětí a proud do motoru. Jakmile je motor plně spuštěn, jsou SCR přemostěny pomocí stykače, aby se zlepšila provozní účinnost.
Jednotky s měkkým rozběhem a zastavením, jako je např. řada Alistart 22 od společnosti Schneider Electric, zvládnou širokou škálu třífázových asynchronních motorů od 4 kW do 400 kW. Jsou vybaveny ochranou motoru proti přetížení a tepelnou ochranou třídy 10, která poskytuje rychlou dobu vybavení 8 až 10 sekund. Jmenovité výkony jednotek s měkkým rozběhem a zastavením často závisí na provozním napětí motoru. Například jednotka ATS22D17S6U společnosti Schneider Electric zvládne motory o výkonu 3 k s výkonem 208 V, 5 k s výkonem 230 V, 10 k s výkonem 460 V a 15 k s výkonem 575 V (obrázek 3). Vyžaduje napájení 110 VAC 50/60 Hz pro řídicí obvody.
Obrázek 3: Tato jednotka s měkkým rozběhem a zastavením zvládne motory do 15 k. (Zdroj obrázku: společnost DigiKey)
Záložní napájení
Průmyslové systémy používají napájení 24 VDC pro různé funkce, jako jsou senzory, HMI a bezpečnostní zařízení. Základní záložní napájení může zlepšit spolehlivost průmyslových instalací. Záložní napájení využívá k napájení zátěže dva paralelně zapojené napájecí zdroje, kde každý z nich postačuje k napájení celé zátěže, pokud by druhý zdroj selhal. Pokud se používají dva napájecí zdroje, říká se tomu záloha 1+1. Aby došlo k výpadku napájení systému, musely by selhat oba napájecí zdroje.
Použití více napájecích zdrojů v konfiguraci N+1 může zvýšit spolehlivost celého systému napájení. Architektura záložního napájení 3+1 využívá čtyři napájecí zdroje, z nichž libovolné tři mohou napájet celou zátěž.
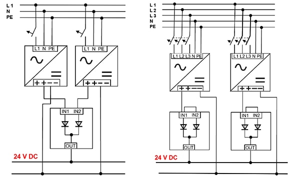
Záložní modul obvykle používá k propojení napájecích zdrojů izolaci diod, aby bylo zajištěno, že výpadek jednoho napájecího zdroje neovlivní provoz ostatních napájecích zdrojů. Pro aplikace, které vyžadují ještě vyšší spolehlivost, lze použít více záložních modulů, aby se eliminovala možnost selhání jediného bodu (obrázek 4). Například AC/DC napájecí zdroj S8VK-C12024 společnosti Omron může podporovat 24V zátěže až do 120 W. Dva z těchto napájecích zdrojů lze propojit pomocí záložního modulu S8VK-R10, a vytvořit tak záložní napájecí systém 120 W 1+1.
Obrázek 4: Použití více záložních modulů (vpravo) může eliminovat jediný bod selhání a zvýšit spolehlivost. (Zdroj obrázku: společnost Siemens)
Třída 2 a záloha
Napájení třídy 2 může být v průmyslových instalacích důležitým bezpečnostním faktorem. Podle definice amerického zákona NEC mají napájecí zdroje třídy 2 výkon omezený na méně než 100 VA. Napájení třídy 2 je také vyžadováno nebo doporučeno u některých průmyslových zařízení mimo USA.
Omezení výkonu snižuje riziko úrazu elektrickým proudem a požáru. V důsledku toho instalace třídy 2 nevyžadují, aby byly napájecí kabely vedeny instalačními trubkami nebo žlaby, což zjednodušuje instalaci a snižuje náklady. U instalací třídy 2 jsou navíc vyžadovány jednodušší kontroly, což náklady dále snižuje.
Existují dva způsoby, jak dosáhnout jmenovitého výkonu třídy 2. K dispozici jsou napájecí zdroje, které interně omezují výstupní výkon na méně než 100 VA. Nebo lze použít napájecí zdroj s vyšším výkonem, jako je model 6EP15663AA00 480 W (24 VDC a 20 A) od společnosti Siemens se záložními moduly, jako je model 6EP19622BA00 společnosti Siemens, které omezují výstupní výkon a zároveň poskytují zálohu pro více zátěží (obrázek 5).
Obrázek 5: Záložní napájecí zdroje 1+1 (vlevo) připojené ke čtyřem zátěžím prostřednictvím záložních modulů třídy 2. (Zdroj obrázku: společnost Siemens)
Nepřerušitelné napájení
Záložní napájení může být užitečné, ale pro kritické aplikace nestačí. Když je sledovatelnost a shromažďování dat povinné, jde o bezpečnost nebo je vyžadován nepřerušovaný provoz, bude zapotřebí UPS, jako je UPS SITOP je6EP41363AB002AY0 od společnosti Siemens. Tento UPS poskytuje výstup 24 VDC a může dodávat až 20 A.
Jednou z klíčových otázek při výběru UPS je technologie skladování energie. Ultrakondenzátory, nazývané také dvouvrstvé kondenzátory, jsou vhodné pro krátkodobé potřeby záložního napájení, jako je ukládání procesních dat a spořádané vypínání průmyslových počítačů a dalších zařízení. Mají dlouhou životnost a mohou poskytnout až 20 kWs záložního výkonu. Například kondenzátorová jednotka pro ukládání energie 6EP19332EC41 společnosti Siemens může poskytnout až 2,5 kWs záložního výkonu.
Olověné a různé lithium-iontové chemické zdroje mohou být užitečné pro delší potřeby záložního napájení, které v případě kritických komunikačních nebo procesních operací trvá až několik hodin (obrázek 6). K dispozici jsou základní DC bateriové moduly UPS s kapacitou až 38 Ah. K zajištění několikahodinové zálohy lze použít více bateriových modulů. Bateriový modul DC UPS 6EP19356MD31 od společnosti Siemens využívá bezúdržbové uzavřené olověné baterie, které poskytují až 15 A s úložnou kapacitou 2,5 Ah.
Obrázek 6: Ultrakondenzátory (UPS5005 a UPS501S) mohou poskytovat krátkodobé záložní napájení (vlevo), zatímco baterie (UPS16090 a BAT1600) mohou podporovat mnohem delší provoz záložního napájení (vpravo). (Zdroj obrázku: společnost Siemens)
Závěr
VSD/VFD jsou často považovány za tahouny průmyslové automatizace. Komplexní architektura průmyslové automatizace však vyžaduje více, včetně servopohonů, motorů a jednotek s měkkým rozběhem a zastavením. Konstruktéři průmyslových automatizačních systémů mají při optimalizaci provozuschopnosti a spolehlivosti na výběr také z mnoha architektur stejnosměrného napájení.
Disclaimer: The opinions, beliefs, and viewpoints expressed by the various authors and/or forum participants on this website do not necessarily reflect the opinions, beliefs, and viewpoints of DigiKey or official policies of DigiKey.




