Jak používat inteligentní senzory kvality vzduchu pro monitorování životního prostředí
Contributed By DigiKey's North American Editors
2022-10-11
Monitorování životního prostředí pomocí inteligentních senzorů kvality vzduchu se vyskytuje napříč různými aplikacemi od chytrých domácností, budov a měst až po konvenční a elektrická vozidla (EV) a systémy pro ukládání energie z baterií (BESS). V inteligentních domech, budovách a městech mohou senzory kvality vzduchu pomoci zajistit zdraví a bezpečnost monitorováním částic a plynů ve vzduchu spojených s nevyhovující kvalitou vzduchu, a také detekcí kouře pro včasné varování před požárem. V prostorech pro cestující mohou tyto senzory identifikovat těkavé organické sloučeniny (VOC) a vysoké úrovně CO2 které mohou vyvolávat zdravotní problémy. V elektromobilech (EV) a systémech BESS je lze použít k detekci zvýšení tlaku a vysokých hladin vodíku v bateriovém prostoru po první fázi odvzdušnění článku, což umožní systému správy baterie (BMS) reagovat a zabránit druhému odvzdušnění nebo tepelný únik celého bateriového systému.
Senzory používané v těchto aplikacích musí být kompaktní, nízkoenergetické a schopné podporovat bezpečné spouštění a zabezpečené aktualizace firmwaru. Často potřebují zahrnovat více senzorů, které pokrývají široké spektrum monitorování kvality ovzduší. Integrace takové série funkcí do kompaktní jednotky s nízkou spotřebou energie může být vyčerpávající proces náchylný k restartování, což má za následek velmi nákladné řešení a zpoždění uvedení na trh.
Pro urychlení uvedení na trh a kontrolu nákladů mohou konstruktéři využívat senzorové moduly, které jsou zkalibrovány z výroby, podporují zabezpečené spouštění a aktualizace firmwaru a poskytují různé možnosti připojení, včetně odesílání dat do cloudu nebo využití sběrnice CAN či jiné sběrnice pro místní připojení.
Tento článek začíná srovnáním optických čítačů částic, elektrochemických a víceparametrových senzorových technologií s tištěnými elektrodami. Představuje řešení senzorů kvality vzduchu a vývojové platformy od společností Sensirion, Metis Engineering a Spec Sensors společně s doprovodnými zařízeními od společnosti Technologie Infineon, a obsahuje návrhy na urychlení procesu vývoje.
Senzory částic (PM) poskytují údaje pro částice konkrétní velikosti, například PM2,5 a PM10, které odpovídají částicím o průměru 2,5, resp. 10 mikronů, a také další velikosti částic podle potřeby konkrétní aplikace. Optické čítače částic (OPC) jsou specifickou technologií PM, která pohybuje měřeným vzduchem přes měřicí buňku obsahující laser a fotodetektor (obrázek 1). Částice ve vzduchu rozptylují světlo z laseru a detektor rozptýlené světlo měří. Měření se převádí na hmotnostní koncentraci v mikrogramech na metr krychlový (μg/m3) a počítá počet částic na centimetr krychlový (cm3). Počítání částic pomocí čítače OPC je přímočaré, ale převod této informace na číslo hmotnostní koncentrace je složitější. Software použitý pro konverzi musí vzít v úvahu optické parametry částic, jako je tvar a index lomu. V důsledku toho mohou čítače OPC trpět větší nepřesností ve srovnání s jinými metodami snímání PM, jako jsou přímé gravimetrické technologie na bázi hmotnosti.
Obrázek 1: čítač OPC používá laser a fotodiodu k počítání částic ve vzduchu. (Zdroj obrázku: Sensirion)
Všechny čítače OPC nejsou totožné. Vysoce přesné a drahé čítače OPC laboratorní kvality dokážou spočítat každou částici v měřicí buňce. Dostupné jsou levnější čítače OPC komerční kvality, které odebírají pouze asi 5 % aerosolových částic a k získání výsledných „naměřených hodnot“ používají softwarové aproximační metody. Zejména hustota velkých částic, jako je PM10, je obvykle velmi nízká a nelze je přímo měřit pomocí levných čítačů OPC.
S rostoucí velikostí částic dramaticky klesá počet částic v daném hmotnostním množství. Ve srovnání s aerosolem s částicemi PM1,0 má aerosol s částicemi PM8 pro danou hmotnost asi 500krát méně částic. Aby bylo možné měřit větší částice se stejnou přesností jako malé částice, pro získání spolehlivého odhadu musí levný čítač OPC integrovat data po dobu několika hodin. Naštěstí mají aerosoly poměrně konzistentní distribuci malých a velkých částic v reálném prostředí. Se správně navrženými algoritmy lze prostřednictvím měření částic PM0,5, PM1,0 a PM2,5 přesně odhadnout počty větších částic, jako jsou PM4,0 a PM10.
Amperometrické senzory plynu
Místo měření počtu částic měří koncentrace plynů amperometrické senzory. Jsou to elektrochemická zařízení, která produkují proud přímo úměrný objemovému podílu měřeného plynu. Základní amperometrický senzor se skládá ze dvou elektrod a elektrolytu. Koncentrace plynu se měří na snímací elektrodě, která se skládá z katalytického kovu optimalizujícího reakci měřeného plynu. Plyn reaguje se snímací elektrodou po vstupu do snímače přes kapilární difúzní bariéru. Protielektroda plní úlohu půlčlánku a uzavírá obvod (obrázek 2). Externí okruh měří průtok proudu a určuje koncentraci plynu. V některých konstrukcích je zahrnuta třetí „referenční“ elektroda pro zlepšení stability, odstupu signál/šum a urychlení doby odezvy základního amperometrického senzoru.
Obrázek 2: amperometrické senzory používají k měření koncentrací plynů dvě elektrody oddělené elektrolytem. (Zdroj obrázku: Spec Sensor)
Víceparametrový senzor pro bateriové sady
Monitorování kvality vzduchu je pouhý začátek pro senzory určené k ochraně bateriových bloků v instalacích elektromobilů (EV) a systémů BESS. Tyto senzory monitorují kromě těkavých organických sloučenin (VOC), jako jsou metan (CH4), ethylén (C2 H4), vodík (H2), oxid uhelnatý (CO) a oxid uhličitý (CO2), také tlak, teplotu vzduchu, vlhkost, rosný bod a absolutní obsah vody. Během první fáze odvzdušnění baterie má plynný produkt běžné lithium-iontové baterie s nikl-manganovou a kobaltovou katodou známé chemické složení (obrázek 3). Koncentrace vodíku je kritická; pokud se blíží 4 %, tedy ke spodní hranici výbušnosti vodíku, existuje možnost výbuchu nebo požáru. Měla by být přijata opatření, která zabrání tomu, aby se buňka dostala do tepelného útěku. Tlakový senzor dokáže detekovat malé zvýšení tlaku uvnitř baterie způsobené odvzdušněním. Falešným pozitivním výsledkům se lze vyhnout křížovou kontrolou jakéhokoli zvýšení tlaku s měřeními jiných senzorů.
Obrázek 3: Pro první fázi odvzdušnění baterie je charakteristická specifická směs plynů (zdroj obrázku: Metis Engineering)
Tento víceparametrový senzor také monitoruje příliš chladné provozní podmínky. Velké akumulátory v elektromobilech (EV) a v systémech BESS často obsahují aktivní chlazení, které zabrání přehřátí akumulátorů při nabíjení nebo vybíjení. Při jejich nadměrném ochlazení může vnitřní teplota klesnout pod rosný bod, což má za následek kondenzaci uvnitř obalu s potenciálním zkratem článků a tepelným únikem. Snímač rosného bodu upozorní systém BMS dříve, než se na svorkách baterie může shromáždit kondenzát.
Laserový senzor AQ
Konstruktéři systémů vytápění, ventilace a klimatizace (HVAC), čističek vzduchu a podobných aplikací mohou využívat PM senzor SPS30 od společnosti Sensirion ke sledování kvality vzduchu uvnitř nebo venku. SPS senzory měří hmotnostní koncentrace PM1.0, PM2.5, PM4 a PM10 a také počty částic PM0.5, PM1.0, PM2.5, PM4 a PM10. Senzor nabízí hmotnostní přesnost koncentrace ±10 %, rozsah hmotnostní koncentrace 0 až 1000 μg/m3 a životnost více než deset let. Senzor SPS30 obsahuje rozhraní I2C pro krátká připojení a rozhraní UART7 pro kabely delší než 20 centimetrů (cm).
Režim automatického čištění ventilátoru lze spustit v předem nastaveném intervalu, aby byla zajištěna konzistentní měření. Čištění ventilátoru zrychlí ventilátor na maximální rychlost po dobu 10 sekund a vyfoukne nahromaděný prach. Funkce měření PM je během čištění ventilátoru offline. Výchozí interval čištění je týdenní, ale lze nastavit i jiné intervaly, aby byly splněny specifické požadavky aplikace.
Vývojové sady a zabezpečené spouštění
Vyhodnocovací desku SEK-SPS30 snímače monitorování kvality vzduchu lze využít k připojení senzoru SPS30 k počítači a prozkoumat tak možnosti tohoto PM senzoru. Společnost DigiKey dále nabízí platformu na zkombinování senzorů kvality vzduchu od společnosti Sensirion s mikrokontroléry (MCU) PSoC 6 společnosti Infineon za účelem vývoje inteligentních systémů monitorování kvality vzduchu nové generace. U systémů inteligentních budov, kde jde o soukromí, mikrokontrolér PSoC 6 podporuje zabezpečené spouštění a zabezpečené aktualizace firmwaru (obrázek 4).
Obrázek 4: Tato vývojová souprava od společnosti Sensirion a Infineon může implementovat zabezpečené spouštění a zabezpečené aktualizace firmwaru. (Zdroj obrázku: DigiKey)
Senzor baterie
Konstruktéři baterií pro EV a BESS mohou využívat senzor CANBSSGEN1 od společnosti Metis Engineering pro monitorování bezpečnosti baterií. Je navržen tak, aby detekoval časná selhání způsobená odvzdušněním článků. Tento snímač na sběrnici CAN obsahuje vyměnitelný vzduchový filtr a je praktický zejména v elektromobilech (obrázek 5). Volitelný akcelerometr může monitorovat otřesy až do 24G a dobu trvání nárazu, což umožňuje systému identifikovat, kdy byla baterie vystavena otřesům nad bezpečnou úroveň. Může měřit:
- Absolutní tlak 0,2 až 5,5 bar
- Teploty vzduchu -30 °C až +120 °C
- VOC, ekvivalent CO2 (eCO2 ), a H2 v částicích na miliardu (ppb)
- Absolutní vlhkost v miligramech vodní páry na metr krychlový (mg/m3 )
- Teplota rosného bodu
Obrázek 5: Tento senzor monitorování zabezpečení baterie obsahuje vyměnitelný vzduchový filtr (bílý kruh uprostřed). (Zdroj obrázku: Metis Engineering)
Vývojová souprava snímače CAN
Vývojová souprava DEVKGEN1V1 pomáhá zkrátit dobu integrace systému při použití senzorů Metis CAN. Senzory zahrnují konfigurovatelnou rychlost a adresu sběrnice CAN společně s databází DBC CAN, která podporuje integraci do téměř jakéhokoli vozidla se sběrnicí CAN. Základní vývojovou sadu lze rozšířit a umožnit vývojářům přidat do sítě CAN další senzory.
Senzor kvality vzduchu v interiéru
Konstruktéři systémů monitorování kvality vzduchu v interiéru a ve vozidlech mohou využívat senzor 110-801 od společnosti SPEC Sensors. 110-801 je amperometrický senzor plynu s tištěnými elektrodami, který je schopen detekovat širokou škálu plynů spojených s nevyhovující kvalitou vzduchu, včetně alkoholů, čpavku, oxidu uhelnatého, různých zapáchajících plynů a sulfidů. Odezva těchto senzorů je přímo úměrná objemovému podílu měřeného plynu, což zjednodušuje integraci systému (obrázek 6). Další vlastnosti tohoto snímače o rozměrech 20 x 20 x 3 mm zahrnují:
- Citlivost v řádu částic na milión (ppm)
- Výkon senzoru menší než deset mikrowattů (μW)
- Rozsah provozních teplot -10 °C až +40 °C (0 °C až +40 °C při nepřetržitém provozu)
- Robustní a stabilní provoz v přítomnosti široké škály nečistot
Obrázek 6: Tento amperometrický senzor plynu s tištěnými elektrodami je schopen měřit přítomnost různých plynů. (Zdroj obrázku: Spec Sensors)
Integrace amperometrického senzoru plynu
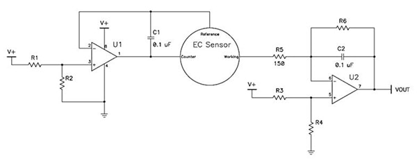
Obvod potenciostatu řídí potenciál pracovní elektrody v amperometrickém senzoru plynu a převádí proud elektrody na výstupní napětí (obrázek 7). Napětí na kolíku 2 operačního zesilovače (operačního zesilovače) U1 nastavuje napětí referenční elektrody a potenciál pracovní elektrody se nastavuje na kolíku 6 operačního zesilovače U2. Operační zesilovač U2 také převádí proudový výstup ze snímače na napěťový signál. Operační zesilovač U1 zároveň dodává do protielektrody proud, který je roven proudu pracovní elektrody.
Obrázek 7: Zjednodušený obvod potenciostatu používaný k implementaci detekce plynu pomocí amperometrického senzoru. (Zdroj obrázku: Spec Sensors)
Shrnutí
Jak bylo ukázáno, konstruktéři mají při návrhu systémů monitorování životního prostředí na výběr celou řadu technologií senzorů kvality vzduchu. Čítače OPC lze použít k monitorování potenciálně nebezpečných úrovní částic uvnitř i venku. Multisenzorové systémy založené na sběrnici CAN mohou monitorovat první stupeň odvětrávání v bateriových blocích elektromobilů (EV) a systémů BESS a pomáhají předcházet tepelnému úniku, možnému požáru nebo výbuchu. Nízkoenergetické, amperometrické plynové senzory s tištěnými elektrodami lze použít k detekci široké škály plynů, které způsobují nevyhovující kvalitu vzduchu.
Disclaimer: The opinions, beliefs, and viewpoints expressed by the various authors and/or forum participants on this website do not necessarily reflect the opinions, beliefs, and viewpoints of DigiKey or official policies of DigiKey.




