Výběr a použití optimálního DC/DC převodníku pro lékařské aplikace
Contributed By DigiKey's North American Editors
2024-12-06
Návrh napájecího zdroje, který pracuje na střídavé síťové napětí nebo na baterii, je komplikovaný. Konstruktér musí vyvinout řešení poskytující stabilní napětí a proud v celém rozsahu změn zátěží při efektivním provozu s cílem minimalizace energetických ztrát. Pokud je však napájecí zdroj určen pro lékařský přístroj, návrh se stává komplikovanějším z důvodů elektromagnetické kompatibility (EMC), přísných bezpečnostních požadavků týkajících se elektrického kontaktu s pacientem a ochrany před elektromagnetickým rušením (EMI).
Splnění těchto požadavků je pro konstruktéry vyvíjející zdravotnické napájecí zdroje od základů nákladné a časově náročné. Alternativou jsou komerční modulární DC/DC převodníky, při jejich výběru a aplikaci je však třeba postupovat opatrně.
Tento článek stručně popisuje úlohu DC/DC převodníku v napájecím obvodu a uvádí přehled výběrových kritérií a speciálních zřetelů vyžadovaných pro lékařské aplikace. Poté představuje příklady obvodů od společnosti XP Power s uvedením aplikačního modelu.
Úloha DC/DC převodníku
Zatímco baterie jsou dimenzovány na jmenovité napětí, výstup je ovlivněn faktory, jako je stav nabití, odběr ve špičkách a teplota. Klíčovou vlastností je pokles výstupního napětí s vybíjením baterie. Integrované obvody a další citlivé součásti však ke správné funkci vyžadují stabilní napětí. DC/DC převodník nabízí řešení prostřednictvím regulace vstupního napětí tak, aby na výstupu (nebo výstupech) bylo k dispozici spolehlivé a konzistentní napětí pro napájení koncového produktu.
DC/DC převodníky jsou běžné i u produktů napájených ze sítě. Počáteční AC/DC převodník reguluje střídavé síťové napětí na stejnosměrné napětí pomocí jednoho nebo více DC/DC převodníků. Další regulace poté převede toto napětí na úroveň vhodnou pro koncové zařízení.
DC/DC měniče mohou používat lineární nebo spínanou topologii. Lineární regulátory jsou jednoduchá a robustní zařízení, jejich účinnost však klesá s rostoucím rozdílem mezi vstupním a výstupním napětím. Lineární regulátory také mohou napětí pouze snižovat (buck), nemohou je však zvyšovat (boost) nebo invertovat. Neschopnost zvyšovat napětí ponechává v bateriích nevyužitý potenciál.
Spínací regulátory používají prvek modulovaný šířkou impulzu (PWM), který typicky obsahuje jeden nebo dva tranzistory MOSFET spárované s jedním nebo dvěma induktory a kondenzátory pro akumulaci energie a filtraci. Hlavními důvody, proč konstruktéři volí spínací regulátory, jsou jejich vysoká účinnost a výkonová hustota. Regulátory mohou dále zvyšovat, snižovat a invertovat napětí.
Výzvy pro konstruktéry využívající spínací regulátory zahrnují složitost návrhu, náklady a potenciální problémy s rušením EMI vlivem spínacích prvků. Ačkoliv je možné navrhnout spínací DC/DC regulátor od samého začátku a taková koncepce může ušetřit určité náklady a prostor, jedná se složitý a časově náročný postup. Alternativou je výběr ze široké škály komerčních modulů, například řady JMR od společnosti XP Power, které integrují primární prvky spínacího regulátoru do jediné součásti, která je kompaktní, spolehlivá a snadno použitelná pro návrh produktu (obrázek 1).
Obrázek 1: modulární obvody, například produkty řady JMR, integrují primární prvky spínacího DC/DC regulátoru do jediné součásti, která je kompaktní, spolehlivá a snadno použitelná pro návrh. (Zdroj obrázku: XP Power)
Výběr DC/DC převodníku
Při výběru DC/DC převodníku je třeba zohlednit mnoho faktorů. Některé jsou zřejmé; aplikace například určuje vstupní a výstupní napětí a proud. Ostatní faktory jsou citlivější. Například maximalizace účinnosti vyžaduje zohlednění typického profilu zátěže koncového produktu. Konstruktér by měl také prozkoumat křivky účinnosti podle katalogových listů DC/DC převodníků zařazených do užšího výběru, aby získal jistotu, že koncový produkt pracuje převážně v optimálním bodě účinnosti převodníku.
Dobrým příkladem DC/DC převodníku pro lékařské aplikace je model JMR1024S05 od společnosti XP Power. Tento převodník je ultra-kompaktní lékařská součástka pro montáž na desku plošných spojů (PCB) o rozměrech 20,3 x 31,8 x 10,2 mm s 3mm vývody do průchozích otvorů. Obvod používá výstupní napětí 5 V ze jmenovitého vstupního napětí 24 V (min. 9 V, max. 36 V). Modul pracuje s maximálním výstupním proudem 2 A a vstupním proudem při plné zátěži 491 mA. Výstupní zvlnění napětí je 75 mV špička-špička (pk-pk) a jeho účinnost je 84,9 %.
Modul se vyznačuje nízkým odběrem proudu naprázdno 6 mA, což zvyšuje jeho účinnost a snižuje ztrátový výkon. Dalšího snížení odběru proudu naprázdno o 3 mA lze dosáhnout vzdáleným blokováním modulu (obrázek 2). Modul je zapnutý, pokud je pin 1 rozpojen; modul je vypnutý, pokud je pin 1 připojen ke zdroji proudu 2 mA až 4 mA, nebo pokud je mezi pin 1 a pin 2 přivedeno napětí 2,2 V až 12 V.
Obrázek 2: spotřebu energie naprázdno převodníku JMR1024S05 lze vzdáleným blokováním modulu snížit na 3 mA. (Zdroj obrázku: XP Power)
Společnost XP Power nabízí též alternativy v 10W řadě. Například převodník JMR1048S12 pracuje se jmenovitým vstupním napětím 48 V (18 V až 75 V) a dodává výstupní napětí 12 V s maximálním výstupním proudem 833 mA. Vstupní proud při plné zátěži je 237 mA a při provozu v tomto stavu je účinnost 88 %.
Převodník JMR1012D15 pracuje se jmenovitým vstupním napětím 12 V (4,5 V až 18 V) a dodává výstupní napětí ±15 V s maximálním proudem 333 mA. Vstupní proud při plné zátěži je 957 mA a při provozu v tomto stavu je účinnost 87 %.
Spínací frekvence 10W převodníků řady JMR je 300 kHz.
Zvláštní požadavky na lékařské aplikace
Vzhledem k tomu, že elektrické součásti používané v koncových produktech podléhají přísné zdravotnické bezpečnostní normě IEC 60601-1, kladou lékařské přístroje na DC/DC převodníky vyšší požadavky.
Podle normy IEC 60601-1 je „aplikovaná část“ definována jako prvek zdravotnického prostředku, který přichází do přímého kontaktu s pacientem, nebo má části, které pravděpodobně přijdou do kontaktu s pacientem při běžném používání výrobku. Norma definuje aplikované části podle typu kontaktu s pacientem a charakteru zdravotnického prostředku.
Klasifikace typu B se vztahuje na aplikované části, které jsou obecně nevodivé a mohou být uzemněny. Klasifikace typu BF (body floating) se vztahuje na aplikované části, které jsou elektricky připojeny k pacientovi a musejí být provedeny jako plovoucí a oddělené od země. Typ BF se nevztahuje na aplikované části přicházející do přímého kontaktu se srdcem. Klasifikace typu CF (cardiac floating) se vztahuje na aplikované části vhodné pro přímé spojení se srdcem. Aplikované části s klasifikací CF musejí být provedeny jako plovoucí a oddělené od země.
Lékařské přístroje připojené k pacientovi musejí poskytovat prostředky ochrany (MOP), aby aplikované (a další přístupné) části nemohly překročit limit napětí, proudu nebo energie. Vyhovující ochranné uzemnění poskytuje 1 x prostředek MOP, základní izolace také poskytuje 1 x prostředek MOP a zesílená izolace poskytuje 2 x prostředek MOP.
Prostředky MOP lze dále kategorizovat jako prostředky ochrany operátora (MOOP) a prostředky ochrany pacienta (MOPP). V zařízeních určených pro připojení k pacientovi jsou vyžadovány 2 x prostředky MOPP.
Napájecí zdroje pro lékařské přístroje s klasifikací typu BF a CF musejí poskytovat 2 x prostředek MOPP mezi primární a sekundární stranou a 1 x prostředek MOPP mezi primární stranou a zemí. Přídavná bezpečnostní izolace jakéhokoli sekundárního výstupu napájecího zdroje vůči zemi musí být rovněž dimenzována na 1 x prostředek MOPP pro nejvyšší jmenovité vstupní střídavé síťové napětí. Tabulka 1 ukazuje vzduchovou mezeru, povrchovou cestu a zkušební napětí pro základní (1 x MOP) a zesílenou (2 x MOP) izolaci v aplikacích s prostředky MOOP i MOPP.
| |||||||||||||||||||||||||||
Tabulka 1: znázornění vzduchové mezery, povrchové cesty a zkušebního napětí pro základní (1 x MOP) a zesílenou (2 x MOP) izolaci v aplikacích s prostředky MOOP i MOPP. (Zdroj tabulky: XP Power)
Kromě prostředků MOP pro aplikace s prostředky MOOP a MOPP musí být napájecí zdroj lékařského přístroje navržen tak, aby omezoval dotykový proud, pomocný i svodový proud pacientem. Maximální povolené hodnoty dotykového proudu jsou 100 μA za normálních podmínek a 500 μA ve stavu jedné poruchy (SFC). Tento požadavek účinně omezuje zemní svodový proud systému na 500 μA při normálním provozu.
Požadavky na dotykový proud, pomocný proud pacientem a svodový proud pacientem představují výzvu pro konstruktéry. Musejí zajistit, aby napájecí zdroj poskytoval požadovanou bezpečnostní izolaci a zároveň minimalizoval svodové proudy za normálního provozu a zajišťoval ochranu při poruchových stavech izolací pacienta od země.
A konečně, zdravotnický prostředek musí splňovat požadavky elektromagnetické kompatibility (EMC) podle normy IEC 60601-1-2. Tyto požadavky mají za cíl zlepšit odolnost zařízení vůči mnoha bezdrátovým komunikačním přístrojům pracujícím v blízkosti životně důležitých zařízení. Sekundárním cílem požadavků je poskytnutí pokynů ohledně elektromagnetické kompatibility (EMC) pro zařízení používaná mimo nemocnice, kde obvykle nastává menší kontrola nad prostředím EMC.
Využití DC/DC převodníku jako druhého izolačního stupně
Konstrukční problémy spojené se speciálními lékařskými požadavky lze omezit pečlivým výběrem DC/DC převodníku jako druhého izolačního stupně. Přidání tohoto stupně poskytuje základní izolaci při střídavém síťovém napětí. Tento stupeň také minimalizuje kapacitu mezi vstupem a výstupem (přibližně na 20 až 50 pF), čímž se následně snižuje potenciální svodový proud pacientem na pouhých několik mikroampérů (obrázek 3).
Obrázek 3: schválený DC/DC převodník (vpravo), který lze používat k regulaci napětí na aplikované části, zároveň poskytuje sekundární izolaci pro 1 x prostředek MOPP a minimalizuje potenciální svodový proud pacientem. (Zdroj obrázku: XP Power)
Například výše popsané 10W DC/DC převodníky řady JMR od společnosti XP Power mají schválení IEC60601-1 zdravotnické bezpečnostní agentury, pokytují 2 x prostředek MOPP se zesílenou izolací 5 kV AC a vykazují izolační kapacitu 17 pF a svodový proud pacientem 2 μA, což umožňuje snadnou integraci do široké řady lékařských aplikací typu BF a CF.
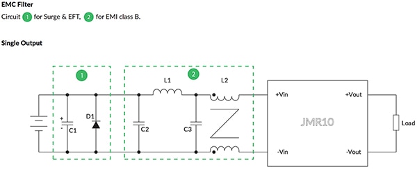
Do obvodu mezi systémem lékařského přístroje, ovládacími prvky a DC/DC převodníkem lze zařadit EMC filtr nutný k tomu, aby koncový produkt splňoval požadavky normy IEC 60601-1-2 bez narušení izolace nebo nízkých svodových proudů. Obrázek 4 znázorňuje doporučené EMC filtrační obvody pro přepětí, rychlé elektrické přechodové jevy (EFT) a rušení EMI třídy B.
Obrázek 4: znázornění doporučených EMC filtračních obvodů pro přepětí, rychlé elektrické přechodové jevy (EFT) a rušení EMI třídy B pro použití s DC/DC převodníky řady JMR10. (Zdroj obrázku: XP Power)
Tabulka 2 ukazuje doporučené hodnoty součástek pro tyto obvody při použití zařízení řady JMR10 se vstupními napětími 12 V, 24 V a 48 V.
|
Tabulka 2: zobrazení doporučených hodnot součástek pro obvody znázorněné na obrázku 4. (Zdroj tabulky: XP Power)
Závěr
Modulární a vysoce integrované DC/DC převodníky zjednodušují návrh spolehlivých, vysoce výkonných napájecích zdrojů pro lékařské systémy. Konstruktéři však musí pečlivě vybrat zařízení s certifikací IEC 60601-1, aby bylo zajištěno jeho splnění požadavků na bezpečnost obsluhy a pacienta, jakož i elektromagnetickou kompatibilitu (EMC) podle příslušných norem.
Disclaimer: The opinions, beliefs, and viewpoints expressed by the various authors and/or forum participants on this website do not necessarily reflect the opinions, beliefs, and viewpoints of DigiKey or official policies of DigiKey.

