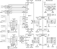
CN0414 4-Channel Analog Input System with Open-Wire Detection
Analog Devices’ CN0414 with HART compatibility provides robust diagnostics for harsh industrial environments
Analog Devices’ CN0414 4-channel analog input features open-wire detection and highway addressable remote transducer (HART) compatibility. The CN0414 is designed for customers who need a fully complete isolated system implemented in their programmable logic controllers (PLC) or distributed control system (DSC) industrial application.
HART compatibility provides robust diagnostics for harsh industrial environments. The module includes an open-wire detection solution that is integrated, low cost, and extremely reliable. The CN0414 has a highly flexible 4-channel analog input range of ±10 V, 4 mA to 20 mA which saves board space, power, and cost.
Evaluation Boards
| Image | Manufacturer Part Number | Description | Available Quantity | Price | View Details | |
|---|---|---|---|---|---|---|
![]() | ![]() | EVAL-CN0414-ARDZ | 4-CHANNEL PLC INPUT MODULE | 0 - Immediate | $2,990.86 | View Details |
![]() | ![]() | EVAL-ADICUP3029 | ADUCM3027/ADUCM3029 EVAL BRD | 112 - Immediate | $1,189.48 | View Details |
ADG704 Multiplexers
| Image | Manufacturer Part Number | Description | Available Quantity | Price | View Details | |
|---|---|---|---|---|---|---|
![]() | ![]() | ADG704BRMZ | IC SWITCH SP4T X 1 4OHM 10MSOP | 4207 - Immediate | $112.14 | View Details |
![]() | ![]() | ADG704BRMZ-REEL7 | IC SWITCH SP4T X 1 4OHM 10MSOP | 1501 - Immediate | $112.14 | View Details |
![]() | ![]() | ADG704BRMZ-REEL | IC SWITCH SP4T X 1 4OHM 10MSOP | 15809 - Immediate | $112.14 | View Details |
ADP2441 Regulators
| Image | Manufacturer Part Number | Description | Available Quantity | Price | View Details | |
|---|---|---|---|---|---|---|
![]() | ![]() | ADP2441ACPZ-R7 | IC REG BUCK ADJ 1A 12LFCSP | 256 - Immediate | $133.16 | View Details |
ADUM3151 Isolators
| Image | Manufacturer Part Number | Description | Available Quantity | Price | View Details | |
|---|---|---|---|---|---|---|
![]() | ![]() | ADUM3151ARSZ | DGTL ISO 3.75KV 7CH SPI 20-SSOP | 993 - Immediate | $165.62 | View Details |
![]() | ![]() | ADUM3151ARSZ-RL7 | DGTL ISO 3.75KV 7CH SPI 20-SSOP | 1596 - Immediate | $165.62 | View Details |
![]() | ![]() | ADUM3151BRSZ | DGTL ISO 3.75KV 7CH SPI 20-SSOP | 2148 - Immediate | $170.19 | View Details |
![]() | ![]() | ADUM3151BRSZ-RL7 | DGTL ISO 3.75KV 7CH SPI 20-SSOP | 640 - Immediate | $200.15 | View Details |
ADuM5411 Isolators
| Image | Manufacturer Part Number | Description | Available Quantity | Price | View Details | |
|---|---|---|---|---|---|---|
![]() | ![]() | ADUM5411BRSZ-RL7 | DGTL ISOLTR 2.5KV 4CH GP 24-SSOP | 1219 - Immediate | $233.65 | View Details |
![]() | ![]() | ADUM5411BRSZ | DGTL ISOLTR 2.5KV 4CH GP 24-SSOP | 540 - Immediate | $233.65 | View Details |
AD5700-1 Oscillators
| Image | Manufacturer Part Number | Description | Available Quantity | Price | View Details | |
|---|---|---|---|---|---|---|
![]() | ![]() | AD5700-1ACPZ-RL7 | IC HART MODEM LP INT OSC 24LFCSP | 4481 - Immediate | $282.34 | View Details |
![]() | ![]() | AD5700-1BCPZ-R5 | IC HART MODEM 24LFCSP | 1333 - Immediate | $318.54 | View Details |
![]() | ![]() | AD5700-1BCPZ-RL7 | IC HART MODEM LP INT OSC 24LFCSP | 3238 - Immediate | $316.67 | View Details |
AD4111 Analog to Digital Converters
| Image | Manufacturer Part Number | Description | Available Quantity | Price | View Details | |
|---|---|---|---|---|---|---|
![]() | ![]() | AD4111BCPZ | IC ADC 24BIT SIGMA-DELTA 40LFCSP | 144 - Immediate | $418.20 | View Details |
![]() | ![]() | AD4111BCPZ-RL7 | IC ADC 24BIT SIGMA-DELTA 40LFCSP | 297 - Immediate | $418.20 | View Details |














