MAX5982A/B/C High-Power MOSFET
Analog Devices' MAX5982A/B/C IEEE 802.3af/at-compliant, powered device interface controllers with integrated 70 W high-power MOSFET
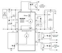
Analog Devices' MAX5982A/MAX5982B/MAX5982C provide a complete interface for a powered device (PD) to comply with the IEEE®802.3af/at standard in a power-over-Ethernet (PoE) system. The MAX5982A/MAX5982B/MAX5982C provide the PD with a detection signature, classification signature, and an integrated isolation power switch with inrush current control. During the inrush period the MAX5982A/MAX5982B/MAX5982C limit the current to less than 182 mA before switching to the higher current limit (1700 mA to 2100 mA) when the isolation power MOSFET is fully enhanced. The devices feature an input UVLO with wide hysteresis and long deglitch time to compensate for twisted-pair cable resistive drop and to assure glitch-free transition during power-on/-off conditions. The MAX5982A/MAX5982B/MAX5982C can withstand up to 100 V at the input.
The MAX5982A/MAX5982B/MAX5982C support a 2-Event classification method as specified in the IEEE 802.3 at standard and provide a signal to indicate when probed by a Type 2 power sourcing equipment (PSE). The devices detect the presence of a wall adapter power source connection and allow a smooth switch over from the PoE power source to the wall power adapter.
The MAX5982A/MAX5982B/MAX5982C also provide a power-good (PG) signal, two-step current limit and foldback, overtemperature protection, and di/dt limit. A sleep mode feature in the MAX5982A/MAX5982B provides low power consumption while supporting Maintain Power Signature (MPS). An ultra-low-power sleep mode feature in the MAX5982A/MAX5982B further reduces power consumption while still supporting MPS. The MAX5982A/MAX5982B also feature an LED driver that is automatically activated during sleep mode.
The MAX5982A/MAX5982B/MAX5982C are available in a 16-pin, 5 mm x 5 mm, TQFN power package. These devices are rated over the -40°C to +85°C extended temperature range.
| Features | ||
|
|
|
| Applications | ||
|
|
MAX5982A/B/C High-Power MOSFET
| Image | Manufacturer Part Number | Description | Available Quantity | Price | ||
|---|---|---|---|---|---|---|
![]() | ![]() | MAX5982AETE+T | IC POE CNTRL 1 CHANNEL 16TQFN | 0 - Immediate 2500 - Factory Stock | $213.45 | View Details |
![]() | ![]() | MAX5982BETE+ | IC POE CNTRL 1 CHANNEL 16TQFN | 25 - Immediate 1080 - Factory Stock | $213.45 | View Details |
![]() | ![]() | MAX5982CETE+T | IC POE CNTRL 1 CHANNEL 16TQFN | 0 - Immediate 10000 - Factory Stock | $213.45 | View Details |



