Myth Busted: High-Current Switching-Regulator IC Noise Can Drop Close to LDO Numbers
Even in the continually evolving world of technology, there are some long-standing clichés of “conventional wisdom” and assumptions that resist change despite dramatic advances. I still occasionally hear old-timers say that the way to extend the life of a rechargeable battery is to drain it down fully then recharge it. While that may have been true for the classic nickel-cadmium (NiCad) chemistry, it is absolutely wrong and actually detrimental to the life of today’s lithium cells.
The same misconceptions apply to step-down (buck) DC-DC switching regulators, especially those designed to operate from higher input voltages (several tens of volts) and that deliver higher currents (up to about 10 amperes (A)). The standard thinking is that low-dropout regulators (LDOs)—with their linear, non-switched topology—are almost noise-free but grossly inefficient. In contrast, switching regulators (switchers) are comparatively noisy but highly efficient.
The concerns about switchers go beyond their presumed noise. While they are efficient (typically, better than ~85% when operating at their load “sweet spot”), three negatives are often associated with them:
1: They are electrically noisy, and this noise is predominantly but not entirely at their switching frequency and its harmonics.
2: They have poor transient responses and are prone to instability and oscillation unless their closed-loop response is carefully tuned to the application.
3: High-power ones need external MOSFETs and function as switching-device controllers rather than regulators with internal MOSFETs, and thus require more components and board space.
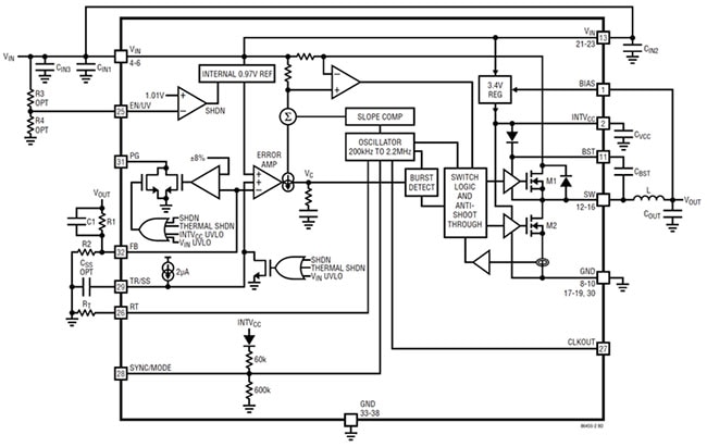
However, recent advances and innovative topologies have changed the situation, as demonstrated by the LT8645S, LT8646S, and LT8645S-2 trio of similar 65 volt monolithic, Silent Switcher synchronous buck regulators from Analog Devices, each capable of supporting 8 A outputs (Figure 1).
Figure 1: The block diagram of the internal functions of the Silent Switcher buck regulators shows their complexity but cannot show the details of the techniques used to achieve major performance improvements. (Image source: Analog Devices)
The small but distinct differences among the three devices allow users to select the specific configuration that provides the best match to their application (Figure 2).
Figure 2: The three switching regulators are very similar but have some subtle configuration differences that may be crucial for specific applications. (Image source: Analog Devices)
Let’s look at noise first, as that is the concern that is most often cited with respect to switching regulators. There’s no doubt that a good LDO sets the standard for low-noise output, but these advanced switching regulators come surprisingly close.
Why worry about noise?
Regulator output noise is detrimental to system performance in multiple ways:
- It can affect the consistent and reliable performance of the load ICs, especially in circuits that operate from lower rail voltages where the supply margin is fairly small.
- It affects the level of performance that can ultimately be achieved as it corrupts the analog signal precision, such as with sensor front-ends.
- The output-rail noise can be the source of radiated and conducted electromagnetic interference (EMI). The radiated noise is especially worrisome as it may result in the end product failing one or more of the many application-specific mandates, such as the widely used CISPR 25 radiated EMI test.
No need to worry
By design, Analog Devices’ Silent Switcher architecture ensures low noise and, thus, superior EMI performance. Further, as monolithic devices, this performance is not sensitive to printed circuit board (pc board) layout, with the result that component and layout-induced EMI is removed as a design concern.
How do the Silent Switcher regulators achieve such results? The designers looked at every way in which clock and other noise sources manifest and then devised ways to overcome each. Two major sources of noise are the so-called “hot loop” inherent in the switching architecture and trace inductance and ringing.
To counter hot loops, the Silent Switcher design breaks the hot loop into two counterpoised loops such that their current flows effectively cancel each other. To address trace inductance, integrating bypass capacitors on-chip eliminates issues associated with pc board trace inductance and ringing while ensuring performance by eliminating the variability of external components and their placement. The result is radiated emission performance that easily meets the CISPR 25 limits (Figure 3).
Figure 3: Due to enhancements such as the elimination of the hot-loop problems and the addition of integral bypass capacitors, the radiation of Silent Switcher regulators is well below regulatory maximums. (Image source: Analog Devices)
It’s worth noting that the conducted noise of the devices is also low, but it has less stringent regulatory limits. Also, it is easier to reduce conducted noise using ferrite beads, while radiated noise is more challenging to attenuate and may even require costly and complex shielding.
Further, the design of these switching regulators also results in improved transient response. They provide crisp, tight regulation—despite load shifts—and also maintain loop stability under a variety of operating conditions (Figure 4). For added flexibility, the LT8646S device allows for external resistor-capacitor (RC) compensation to allow designers to optimize transient response.
Figure 4: The design of the Silent Switcher regulators also yields a quick, clean, and consistent transient response, resulting in a solid, stable DC output rail—despite load changes. (Image source: Analog Devices)
Finally, integrating high-power MOSFETs brings multiple advantages:
- Lower noise emissions due to the elimination of pc board traces for the MOSFETs.
- Consistent input supply to output rail performance, fully specified on the datasheet.
- A smaller overall footprint; these 8-A regulators are housed in 6 millimeter (mm) × 4 mm LQFN packages and require just a few small passive components for a complete circuit (Figure 5).
Figure 5: A complete supply regulator subsystem based on the LT8645S-2 (or other parts in the family) is compact and has a short bill of materials (BOM). (Image source: Analog Devices)
One final and important question: Is there an efficiency compromise or penalty when using these high-voltage, high-current Silent Switcher regulators? After all, high efficiency is by far the primary reason that a switcher is used instead of a linear supply.
The answer is simple: The efficiency of these devices is in the same zone as it is for noisier regulators (Figure 6). It ranges from about 90% to 96% from 1 A to an 8 A maximum, with a “sweet spot” between 2 and 4 A.
Figure 6: The efficiency of the 8 A Silent Switcher regulators is around 95%, except at the very low and high ends of the current output value. (Image source: Analog Devices)
Conclusion
Switching regulators offer the very important virtue of high efficiency, but they may also be the source of radiated noise that is excessive for the circuit, system, and regulatory mandates. The innovative architecture of the Silent Switcher DC-DC regulators from Analog Devices overcomes these and other shortcomings of conventional switching regulators without compromising the desired performance attributes.
Related Content
Analog Devices, “Monolithic 65V, 8A Step-Down Regulators with Fast Transient Response and Ultralow EMI Emissions”
Analog Devices, “What Actually Is a Hot Loop?”
https://www.analog.com/en/technical-articles/what-actually-is-a-hot-loop.html
Have questions or comments? Continue the conversation on TechForum, DigiKey's online community and technical resource.
Visit TechForum



