Use Specialized Power Converters to Bridge the Dual 12 V to 48 V Gap in Automotive Systems
Contributed By DigiKey's North American Editors
2020-06-23
With the additional electronics, motors, and actuators increasingly being added to internal combustion engine (ICE) vehicles, the conventional closed-circuit 12 V automotive electrical system—based on a lead-acid battery charged by the alternator—is revealing its limitations. For example, when using a 12 V system, high power applications such as electric steering draw a high current, necessitating bulkier, heavier wiring looms. That extra weight becomes significant in a modern vehicle, which can have several kilometers of wiring.
An alternative approach employs higher voltage systems for the power-hungry applications to lower the current draw and allow for lighter wiring. Commercial implementations feature a conventional 12 V network supplemented by a 48 V system based on lithium-ion (Li-ion) batteries. The 12 V system is used for applications such as engine management, lighting, and seat and door adjustment, while the 48 V system takes care of heavy-duty demands from functions such as electric steering, starting, and HVAC.
These hybrid automotive electrical systems bring increased complexity and, with it, new design challenges. Key among these challenges is the management of the simultaneous charge and discharge of the two battery circuits, including bidirectional step-down (buck) and step-up (boost) between the batteries.
This article describes the evolution of dual 12/48 V automotive electrical systems and explains the advantages of the new systems. It then explores how to use 12/48 V bidirectional voltage regulators from Linear Technology and Texas Instruments to ease the design complexity of dual-voltage systems. The article also considers the advantages of a future 48-V-only decentralized vehicle topology, and looks at a bus converter from Vicor suited for such a system.
The challenge of transitioning to 12/48 V design
The transition to 12/48 V systems is largely being encouraged by the need to drive high power consumption devices while ensuring the vehicle still meets stringent economy and emissions regulations. For example, the switch from mechanical to electric drive for things like steering or superchargers dramatically reduces friction losses and boosts fuel economy. According to some auto manufacturers, a 48 V electric system results in a 10 to 15 percent gain in fuel economy with a proportional reduction in noxious emissions. The 12 V side of the system continues to be needed because of the large volume of legacy 12 V devices that will be fit into autos for years to come.
The 12/48 V configuration consists of two separate branches: The traditional 12 V bus uses a conventional lead-acid battery for conventional loads, while the 48 V system, powered by a Li-ion battery, supports the heavier loads. While two separate charging circuits are needed to suit the respective batteries’ electrochemistry, there must be a mechanism that allows charge to move between them without danger of damage to either battery or any of the systems they power. There also needs to be a mechanism to provide extra power for the opposite voltage rail in an overload condition.
A newly proposed automotive standard—LV 148—describes the combination of the 48 V bus with the existing automotive 12 V system. The 48 V system incorporates an integrated starter generator (ISG) or belt start generator and the Li-ion battery. The system is able to deliver tens of kilowatts (kW) and is targeted at conventional cars, as well as hybrid electric and mild hybrid vehicles.
Designing a 12/48 V system is challenging because it requires careful management of the power transfer from the vehicle’s 48 V rail to its 12 V rail and back. One option is to use a buck converter for the voltage step down, while power transfer in the opposite direction could be supplied with a boost converter. But designing in separate DC-to-DC converters takes up valuable board space and increases system cost and complexity.
An alternative approach is to use a single, bidirectional buck/boost DC-to-DC converter sited between the 12 and 48 V batteries. Such a converter can be used to either charge the batteries or allow them to supply current to the vehicle’s various electrical loads (Figure 1).
Figure 1: A bidirectional power supply can be used to manage power between the 12 V and 48 V circuits of automotive electrical systems. (Image source: Texas Instruments)
Bidirectional current controllers
Power management components for 12/48 V systems are being designed to meet the LV 148 standard. In particular, this makes major overvoltage demands on the chips. The standard allows for the maximum voltage on a 48 V rail to reach up to 70 Vs for at least 40 milliseconds (ms), and for the system to remain functional without any loss of performance during such an overvoltage event. For semiconductor vendors, this means that everything connected to the vehicle’s 48 V rail must withstand 70 Vs at the input (plus a safety margin, taking the overall requirement up to 100 Vs).
Linear Technology’s LT8228, a 100 V bidirectional constant-current or constant-voltage synchronous buck or boost controller (see Digi-Key technical article, Voltage- and Current-Mode Control for PWM Signal Generation in DC-to-DC Switching Regulators) with an independent compensation network, is an example of a bidirectional power supply designed to meet the LV 148 specifications.
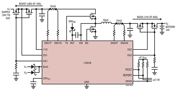
The controller takes two inputs: V1, a 24 to 54 V supply from the Li-ion battery; and V2, a 14 V input from the lead-acid battery (Figure 2). Outputs are 48 Vs at 10 amperes (A) in boost mode and 14 Vs at 40 A in buck mode. The chip can withstand 100 Vs on both inputs and outputs. Operational mode is externally controlled from a microcontroller through the DRXN pin or automatically selected.
Figure 2: The Linear Technology LT8228 bidirectional power supply offers up to 100 V boost or buck voltages and meets LV 148 specifications. (Image source: Linear Technology)
Input and output MOSFETs protect against negative voltages, control inrush currents, and provide isolation between terminals under fault conditions, such as switching MOSFET shorts. In buck mode, the protection MOSFETs at the V1 (24 V to 54 V input) terminal prevent reverse current. In boost mode, the same MOSFETs regulate the output inrush current and protect themselves with an adjustable timer circuit breaker. Internal and external fault diagnostics and reporting are available via dedicated pins.
Texas Instruments (TI) also offers an LV 148-compliant high performance, dual-channel bidirectional current controller, the LM5170. The device manages the current transfer between a high voltage port (HV-port) (connected to the 48 V Li-ion battery) and a low voltage port (LV-port) (connected to the 12 V lead-acid battery). Independent enable signals activate each channel of the dual controller.
The dual-channel differential current sense amplifiers and dedicated channel current monitors achieve typical accuracy of 1 percent. The robust 5 A half-bridge gate drivers are capable of controlling parallel MOSFET switches delivering 500 watts or more per channel. The controller can operate in discontinuous mode operation for improved efficiency under light load conditions (see Digi-Key technical article, The Difference Between Switching Regulator Continuous and Discontinuous Modes and Why It's Important) and it also prevents negative current. Protection features include the cycle-by-cycle peak current limit, overvoltage protection of both 48 and 12 V battery rails, detection and protection of MOSFET switch failures, and overtemperature protection.
The LM5170 uses average current mode control, which simplifies compensation by eliminating the right-half plane zero in the boost operating mode and by maintaining a constant loop gain regardless of the operating voltages and load level.
The Linear Technology and TI bidirectional current controllers include features that make designing power management circuits in dual 12/48 V automotive electronics simpler. For example, the components allow for the use of the same external power components whether boosting the voltage from one battery or bucking the voltage from the other. This saves space and cost and eases circuit complexity. Nonetheless, the choice of these external components must be carefully made.
Application circuit design
External component selection when using the LT8228 (as well as the TI device) typically follows that for good switching regulator design. For example, switching frequency (fSW) and inductor value (L) are chosen to optimize efficiency, physical size, and cost. Likewise, the inductor current sense resistor, RSNS2, along with its input gain resistors, RIN2, are selected for peak inductor current limit, efficiency, and current sense accuracy (Figure 3).
Figure 3: Block diagram of the Linear Technology LT8228 showing external components required for a typical application. (Image source: Linear Technology)
Capacitor CDM2 is chosen to limit buck input and boost output ripple voltage; similarly, capacitor CDM4 is selected to limit the boost input and buck output ripple voltage. Capacitor CDM1 at the V1D pin is used to bypass noise. The dampening capacitors CV1 and CV2 are selected with their equivalent series resistance (ESR) value designed to reduce resonance due to series wire inductance connected to V1 and V2 respectively.
The compensations for the buck and boost regulation loops are chosen to optimize bandwidth and stability. For more on designing with switching voltage regulators and controllers, see Digi-Key technical articles: Design Trade-offs when Selecting a High-Frequency Switching Regulator, Understanding Switching Regulator Control Loop Response and Use Low-EMI Switching Regulators to Optimize High-Efficiency Power Designs.
After selecting components to meet good design principles for a switching regulator design, there are some component selections specifically required to meet the requirements of a bidirectional 12/48 V automotive application.
For example, the LT8228’s buck output current limit, boost input current limit, and V2 current monitor are set by the RSET2P, RSET2N, and RMON2 resistors respectively. Next the V1 current sense resistor, RSNS1 (top left in diagram), along with its input gain resistors RIN1, are selected to optimize efficiency and current sense accuracy.
The LT8228 uses the same inductor for both the buck and boost mode operation. In buck mode the inductor current is the V2 output current, and in boost mode the inductor current is the V2 input current. Maximum inductor current in each mode can be calculated from Equations 1 and 2:
Equations 1 and 2
Where:
ƒ = switching frequency
L = selected inductor value
IV2P(LIM) = buck mode V2 output current limit
IV2N(LIM) = boost mode V2 input current limit
The peak inductor current should be at least 20 to 30 percent above the higher maximum inductor current of the buck and boost modes. This ensures the maximum average current regulation is not affected by the peak inductor current limit in either mode of operation. The inductor current is sensed using RSNS2 which is placed in series with the inductor. The peak inductor current IL(PEAK) is detected when ICSA2 reaches 72.5 microamps (µA) typically.
High RSNS2 (top right) values improve current sense accuracy while low RSNS2 values improve efficiency. The designer should select the value of RSNS2 so that the input-referred offset voltage of CSA2 does not affect current sense accuracy, while minimizing power loss across the inductor. A recommended voltage across RSNS2 at the peak inductor current is between 50 and 200 milliVs (mV).
Then the designer should select RIN2 to set the peak inductor current limit according to the following formula:
Equation 3
After setting the peak inductor current limit, the boost output current limit, buck input current limit, and V1 current monitor are set by the RSET1N, RSET1P, and RMON1 resistors respectively. Capacitors parallel to the RSET resistors are chosen to set the current limits to the average current of the current sense resistors.
The regulation voltages and overvoltage thresholds of V1D (the regulated output in boost mode) and V2D (regulated output in buck mode) are set by selecting the resistive dividers to the FB1 and FB2 pins. The undervoltage threshold of V1 and V2 are set by selecting the resistive dividers to the UV1 and UV2 pins.
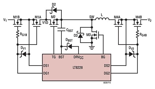
The external circuitry of the LT8228 also requires six power MOSFETS (Figure 4). These should be selected based on efficiency and breakdown voltage considerations. The accompanying Schottky diodes (D2 and D3) are optional and should be selected based on efficiency considerations.
Figure 4: The LT8228 requires six external N-channel MOSFETs: the V1 protection MOSFETs M1A and M1B, the V2 protection MOSFETs M4A and M4B, the switching top MOSFET M2, and the switching bottom MOSFET M3. (Image source: Linear Technology)
When the LT8228 is operating in buck mode, switching MOSFET M2 is the main switch and MOSFET M3 is the synchronous switch; V1D (the node to be regulated by the boost regulator and located just above and to the left of DG1 controller in Figure 3) is the input voltage and V2D (the node to be regulated by the buck converter, top right of Figure 3 - just to the left of buck MOSFETs) is the regulated buck output voltage. In boost mode, the situation is reversed with M3 acting as the main switch and M2 the synchronous switch with V2D as the input voltage and V1D as the output voltage.
During the switching “off” time, both switching MOSFETs, M2 and M3, will be subject to maximum input voltage (plus any additional ringing on the switch node) across their drain to source. This makes the most important parameter when selecting the switching MOSFETs in high voltage applications the breakdown voltage (BVDSS).
The designer must also consider the MOSFETs’ power dissipation. Excessive dissipation impinges on system efficiency and could overheat and damage the MOSFETs. The key parameters when determining power dissipation are the on-resistance (RDS(ON)), input voltage, output voltage, maximum output current, and Miller capacitance (CMILLER).
Eliminating the 12 V battery
The maturity and reliability of the 12 V lead-acid battery-based system mean it won’t be disappearing any time soon. But automotive makers are already working on systems for new vehicles that run everything from 48 Vs (using batteries providing anything from 48 to 800 Vs). Such systems employ non-isolated and bidirectional converters capable of handling several kilowatts of power and providing power to both conventional 12 V electrical devices and the higher voltage units.
An example of such a converter is Vicor’s NBM2317S60E1560T0R, a high-efficiency non-isolated converter operating from a 38 V to 60 V high-side voltage bus to deliver a low-side voltage from 9.5 Vs to 15 Vs. The device offers a maximum continuous output power of 800 W with up to 1 kW peak power capability. In buck operation, output current is 60 A continuous and 100 A transient; in boost operation, the figures are 15 A continuous and 25 A transient. The power density of the device is 274 watts per centimeter cubed (watts/cm3). Peak efficiency is specified as 97.9 percent.
The device measures 23 x 17 x 7.5 millimeters (mm), taking up less space than slower switching (sub 1 megahertz (MHz)) solutions. The number of external components needed is reduced because the converter requires no external filters or bulk capacitors. There is also no requirement for hot swap or in-rush current limiting.
One way to implement a 12/48 V architecture powered from a single 48 V battery is a centralized topology. This topology relies on a single large capacity bidirectional converter. Such a system has several disadvantages including thermal management challenges, lack of built-in redundancy, and cost and weight of extended wiring looms required for the low voltage (12 V)/high current applications.
The Vicor device is designed to address these problems by facilitating a decentralized architecture for a 12/48 V electrical system. Redundancy is built in through the use of multiple converters and 12 V looms can be shortened and hence, made much lighter. In addition, the thermal management challenge is considerably eased. For example, in a centralized system, a single converter providing 3 kW power and running at 95 percent efficiency will need to dissipate 150 watts, largely as heat. In comparison, each of the converters in a distributed system comprising four devices that produces 750 watts at 95 percent efficiency would dissipate 37.5 watts. While overall losses remain the same, the temperature of each converter is considerably reduced (Figure 5).
Figure 5: High-efficiency DC-to-DC converters such as Vicor’s NBM2317S60E1560T0R enable a 12/48 V automotive electrical system powered from a single 48 V battery. In the decentralized topology shown here, thermal management challenges are eased and 12 V wiring is kept short, reducing weight. (Image source: Vicor)
Vicor has made life easier for designers wishing to experiment with 12/48 V system design by introducing the NBM2317D60E1560T0R evaluation board for its NBM2317 line ICs. The board comes preconfigured in a buck topology with a 38 V to 60 V input and a single 13.5 V non-isolated output.
Conclusion
As electrical systems in modern vehicles proliferate, the traditional 12 V electrical system is creaking under the strain. The introduction of a 48 V system alternative offers higher power to operate systems such as electric steering and supercharging, while decreasing the weight and cost of wiring looms.
However, it is impractical to switch to a single 48 V system in the short term because of the volume of legacy 12 V products used in vehicles. The solution is to run 12 V and 48 V systems together, each with their own battery.
Managing the power and charging of these different voltage systems can be complex if separate DC-to-DC converters are used for each. The introduction of bidirectional DC-to-DC converters—that can act as a bridge between the 12 and 48 V systems—simplifies design, lowers cost, and encourages adoption in lower priced cars.
Recommended Reading:
- Voltage- and Current-Mode Control for PWM Signal Generation in DC-to-DC Switching Regulators
- The Difference Between Switching Regulator Continuous and Discontinuous Modes and Why It's Important
- Design Trade-offs when Selecting a High-Frequency Switching Regulator
- Understanding Switching Regulator Control Loop Response
- Use Low-EMI Switching Regulators to Optimize High-Efficiency Power Designs
Disclaimer: The opinions, beliefs, and viewpoints expressed by the various authors and/or forum participants on this website do not necessarily reflect the opinions, beliefs, and viewpoints of DigiKey or official policies of DigiKey.



