Select the Right AC/DC Power Supply To Meet Unique Medical Requirements
Contributed By DigiKey's North American Editors
2022-05-12
Improvements in battery technology along with advances in low-power circuitry have made portable, battery-powered systems a viable option for many designs, but in applications such as medical and home healthcare, battery-only, untethered operation is not feasible, practical, or even desirable. Instead, the equipment must operate directly from an AC line or have access to an AC outlet to ensure reliable operation when the batteries are low. For these cases, the AC/DC supply must provide the usual power supply performance with respect to voltage and current output, static and dynamic regulation, as well as fault and other protection features.
In addition, basic power supply performance is not the only concern for medical systems designers. Various regulatory standards exist – and have recently been upgraded – which add additional mandates for less-obvious performance issues such as galvanic isolation voltage, leakage current, and two means of patient protection (2×MOPP). These are in place to ensure that the equipment which the supply is powering does not put the operator or patient at risk even if there is a failure in the supply or the equipment.
The combination of performance, reliability, and standards requirements, as well as cost and time to market pressures, make designing a power supply from scratch a challenging proposition. Instead, designers need to sift carefully through an array of ready-made options for the optimum solution.
This article looks at applications for AC/DC supplies in medical-instrument environments, reviewing the critical regulatory standards for these supplies. It then introduces example supplies from CUI Inc. and discusses their respective characteristics and how they can help solve the medical system power supply challenge.
Use AC line or batteries?
Although untethered, battery-powered, and portable devices have become common and even preferred in many consumer and commercial products, there are still many situations where battery power is either impractical or undesirable. This is especially the case for medical instrumentation where consistent, reliable, and immediate availability is critical. Among the reasons medical systems may prefer or mandate AC line operation are:
- High power, voltage, or current requirements that may require a large, heavy, costly battery system along with recharge management circuitry.
- Many medical sites run 12, 18, and even 24-hour daily shifts due to patient scheduling.
- Even for those systems that can use rechargeable batteries for primary power or emergency backup, those batteries need to be charged while the system is in use, during which time the AC/DC supply must provide power.
In principle, any properly sized, standard off-the-shelf (OTS) AC/DC supply with suitable voltage and current ratings should be a good fit for these systems. Yet while they are adequate in the basic sense, they do not meet the additional standards placed on medical supplies.
The rationale for these additional safety and performance mandates is the unique nature of medical applications and the very real possibility of component or system faults causing patient or operator harm. It’s especially challenging since the patient is often in direct contact with sensors, probes, or other transducers that can conduct current directly into the body, thus posing a greater risk than casual contact.
Begin with safety basics
Although shock risk is normally associated with higher voltages, there is only an indirect correlation. Patient or user shock is due to current flowing through the body and back to its source. However, if that current has no return-flow path, then there is no risk, even if the person is touching a high-voltage line.
Except for very specialized exceptions, the line-operated AC/DC power supply has an input-side isolation transformer which can serve two roles:
- Provide voltage step up/down of the line voltage as needed before it is rectified to DC.
- Provide input/output isolation so there is no path for the flow of current through the user and back to the neutral line. This is critical in the event of a fault that could put voltage and current on the surface of the unit, and thus to and through the operator or patient (Figure 1).
With the isolation transformer in place, this current flow cannot happen because the isolation transformer does not have a wire path from the AC-line neutral to Earth, so the current will not flow through the user.
Figure 1: The isolation transformer breaks the current path from neutral to Earth, so the current will not flow through the user even if the user’s device or system is accidentally connected to the exposed case. (Image source: Quora)
Why worry about current?
Standard line voltage (110/230 volts; 50 or 60 hertz (Hz)) across the chest—even for a fraction of a second—may induce ventricular fibrillation at currents as low as 30 milliamperes (mA). If the current has a direct pathway to the heart such as via a cardiac catheter or other kind of electrode, a much-lower current of less than 1 mA (AC or DC) can cause fibrillation.
These are some standard thresholds which are often cited for current through the body via skin-surface contact:
- 1 mA: Barely perceptible.
- 16 mA: Maximum current an average-size person can grasp and “let go.”
- 20 mA: Paralysis of respiratory muscles.
- 100 mA: Ventricular fibrillation threshold.
- 2 A: Cardiac standstill and internal organ damage.
The levels are also a function of the current-flow path, meaning where the two points of contact with the body are located, such as across or through the chest, from an arm down to the feet, or across the head.
Transformer isolation and leakage are critical
Leakage is current that passes through the dielectric insulation, whether due to physical “leaks” from the imperfect nature of the insulation, or due to capacitive currents that can cross even exceptionally good insulation. Although leakage current is never desirable, it’s a much more serious concern for some medical applications.
A simplified model of a transformer shows perfect galvanic (ohmic) isolation between its primary and secondary sides in Figure 2.
Figure 2: This basic model of a transformer shows there is no current path from primary side to secondary side. (Image source: Power Sources Manufacturers Association)
No current can flow directly from the AC mains to the powered product—thus forming a complete current-flow loop back to the AC mains—even if a component or wiring failure provides a new current path on the secondary side. However, no transformer in the real world is perfect and there is always some primary-secondary interwinding capacitance (Figure 3).
Figure 3: A more realistic model shows basic interwinding capacitance (Cps1) between primary and secondary sides. (Image source: Power Sources Manufacturers Association)
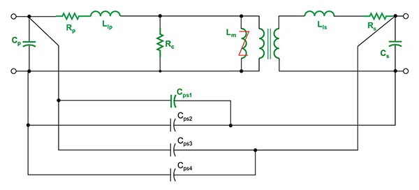
An even more sophisticated model adds additional sources of interwinding capacitance, shown in Figure 4.
Figure 4: There are other transformer capacitances, in addition to Cps1. (Image source: Power Sources Manufacturers Association)
This undesired capacitance which allows the flow of leakage current is a function of many variables such as wire size, winding pattern, and transformer geometry. The resultant value can range from as low as one picofarad (pF) to a few microfarads (µF). In addition to transformer capacitive leakage, other sources of unintentional capacitances are spacings on printed circuit boards, insulation between semiconductors and grounded heatsinks, and even parasitics between other components.
Transformer leakage current due to capacitance is not the only medical-standard power-supply concern. Obviously, basic AC safety and insulation are concerns. Depending on voltage and power levels, these supplies may need a second, independent insulation barrier in addition to the primary one.
Also, many medical products involve very low signal levels (millivolts or microvolts for body sensors, for example), so generated electromagnetic interference (EMI) or radio-frequency interference (RFI) (broadly called electromagnetic compatibility, or EMC) are also concerns. The relevant standards call out the maximum allowed EMI/RFI generation, as well as their tolerance.
Standards and means of protection (MOP)
The primary standard governing medical electronics and safety is IEC 60601-1 - Medical electrical equipment - Part 1: General requirements for basic safety and essential performance, along with its various associated standards. The 3rd edition of IEC 60601-1 extends the patient focus to require an overall MOP that combines one or more means of operator protection (MOOP) and means of patient protection (MOPP).
Thus, while the basic provisions of the 2nd edition, which guard against failure remain in place, the 3rd edition recognizes that the potential hazards seen by each user can be quite different; an operator has access to a control panel, for example, while the patient may be “connected” via probes.
The 3rd edition standard specifically calls out the Risk Management Process described in ISO 14971 that includes a risk management file where fault conditions are identified and assessed. The recently activated 4th edition of this standard goes even further. First, it has added updates to take technology changes into account. Second, it also expands on the risk analysis and addresses a reciprocal concern about EMC affecting both the medical device in question and other devices in the vicinity. In other words, the standard goes beyond saying, “You should do this” or “You should do it this way”, but now requires assessment and even quantification of relevant risks and how to mitigate them.
Supplies and MOP
Regulatory standards have created protection classes of products that are characterized by the means of providing operator protection from hazardous voltages, designated as Class I and Class II.
In a Class I product, there will be a conductive chassis which is connected to safety earth ground. Thus, an input power cord with a safety earth ground conductor is required in protection Class I products. In contrast, a Class II product will not have a safety earth ground conductor in the input power cord. Instead, a second layer of insulation is included for operator protection due to the absence of the grounded chassis (Figure 5).
Figure 5: Class I devices require only basic insulation and a grounded chassis, while Class II devices require additional insulation modes. (Image source: CUI Inc.)
There are different requirements for MOP, such as isolation, creepage, and insulation in IEC 60601-1, including whether the requirement is for MOOP or the stricter MOPP (Figure 6).
Figure 6: The different means of protection and levels have different mandates on isolation voltage rating, creepage and insulation. (Image source: CUI Inc.)
The standard defines which classification is required in various application situations. For example, equipment that makes physical contact with a patient, such as a blood pressure monitor, will typically need to meet the requirements for both two MOOP and one MOPP.
There is no single number that can be placed up front on the value required on each parameter, as their maximum values are a function of many factors. They are also defined by whether the overall design uses single or dual MOPs, and whether that MOP is a MOPP or MOOP.
The IEC protection classes govern the construction and insulation of power supplies to protect the user from electrical shock. IEC protection Class II power supplies have a two-wire power cord, with two layers of insulation (or a single layer of reinforced insulation) between the user and the internal current-carrying conductors.
The first layer of insulation is typically referred to as “Basic Insulation” such as the insulation normally used on wires. Then, a second layer of insulation is often an insulating case enclosing the product (and may be labeled as “double insulated”), such as the plastic case used with wall-mount and desktop power supplies.
Make versus buy
Basic power supply design is supported by many available components, application notes, reference designs, and more. As a result, designers might be tempted to design and build their own, precisely tailored to the application requirements and its priorities. There is no doubt that in some cases, the supply requirements are so unusual or unique that there is no commercial supply available, so “make” is the only course.
Despite the feasibility of “make,” the arguments against it are strong: “make” comes with high design and certification risk, plus lengthy time to market. In addition, the higher volume of supply vendors compared to “make” efforts results in a lower bill of materials (BOM) and assembly cost, so “make” is not even a cost saver, except perhaps at very low power levels (under about ten watts) where regulatory issues are less stringent.
OTS units: range of power levels, form factors
It’s one thing to talk about certified, regulatory approved AC/DC power supplies for medical applications in the abstract, but looking at some of the versions available shows that meeting these mandates does not constrain use flexibility. Vendors offer different families of supplies with a range of voltage/current ratings within each family, and so can meet nearly all project requirements. Some examples show the breadth of what is available in external adapters, open-frame modules, and enclosed units.
Example #1: External desktop adapters such as the SDM65-UD series, include the 24 volt, 2.7 A SDM65-24-UD-P5 (Figure 7). This family of Class II supplies is often used for powering/charging laptops and similar devices and offers a universal input range of 90 to 264 volts and 47 to 63 Hz.
These nominal 65-watt units have outputs that cover 12 volts at 5 A to 5 volts at 1.36 A, are housed in a fully enclosed insulating package measuring about 120 × 60 × 36 millimeters (mm) and include a user-convenient “power-on” indicator LED.
Figure 7: The SDM65-24-UD-P5 is a 24 V, 2.7 A, Class II AC/DC supply intended for external use with respect to the device it is powering. (Image source: CUI Inc.)
Supplies in this family operate from a user-supplied IEC320/C8 two-wire AC cord. The DC output comes with a 150 centimeter (cm) cord (16 or 18 gauge, depending on the supply’s output current), can be ordered with either of two polarity orientations, and any one of a number of common “barrel” plug terminations or stripped/tinned wires (Figure 8).
Figure 8: Supplies in the SDM65-UD series are offered with many standard barrel connector options for the DC output connector, as well as stripped & tinned leads. (Image source: CUI Inc.)
Example #2: Open-frame (or tray) modules such as the VMS-550 series include the VMS-550-48, a 48 volt, 11.5 A unit. Supplies in this family offer up to 550 watts of continuous power with outputs spanning 12 volts/42 A to 58 volts/9.5 A, with an industry standard 3 × 5 inch (in.) footprint and a low profile of 1.5 in. (Figure 9).
Figure 9: The open-frame VMS-550-48 delivers 48 volts at 11.5 A and has a standard footprint of 3 × 5 in. (Image source: CUI Inc.)
These supplies include power factor correction (PFC), a regulatory requirement at this power level, and have a standby power dissipation of less than 0.5 watts, along with an efficiency up to 92%. They operate over a -40°C to 70°C temperature range, and include a separate 12 volt/0.5 A output for a local cooling fan. AC connection for this Class II unit is via the male connector on the supply’s circuit board using a two-wire cable terminated with a mating female connector.
The datasheet includes thermal derating curves along with a useful mechanical drawing showing an arrangement for a cooling baseplate with mounting standoffs and screws (Figure 10).
Figure 10: Mechanical drawing showing the dimensions and mounting arrangement for a suitable cooling plate for the VMS-550-48 power supply. (Image source: CUI Inc.)
Example #3: Enclosed units such as the VMS-450B series, include the VMS-450B-24-CNF, a 450 watt supply that provides 24 volts at 18.8 A from inputs of 100 to 240 volts AC. The supply measures 127 × 86.6 × 50 mm (approximately 5 × 3.4 × 2 in.) and comes with a metal shield which allows for airflow while reducing EMI/RFI and providing some physical protection for both the supply and its users (Figure 11).
Figure 11: The 450-watt VMS-450B-24-CNF AC/DC supply series delivers 24 volts at 18.8 A and comes with a protective enclosure. (Image source: CUI Inc.)
Supplies in this series can deliver from 12 volts at 37.5 A up to 56 volts at 8 A. They also include PFC and a 12 V, 600 mA drive for a fan, plus an additional 5 V, 1 A auxiliary DC output that eliminates the need for a separate small supply in many applications.
Conclusion
AC/DC supplies for medical applications must meet a large set of complex, stringent regulatory standards and mandates covering basic and additional safety requirements. Supplies which meet all relevant standards are available in a wide range of power ratings and come in form factors including external “desktop” style, as well as “drop-in” for incorporation into an end product. By selecting one of these standard units, system designers are relieved of all the issues associated with supply design, certification, final approval, and manufacturing.
Disclaimer: The opinions, beliefs, and viewpoints expressed by the various authors and/or forum participants on this website do not necessarily reflect the opinions, beliefs, and viewpoints of DigiKey or official policies of DigiKey.


