MEMS Microphone Interfaces: Analog vs. Digital Outputs
2023-07-10
The utilization of Micro-Electro-Mechanical Systems (MEMS) microphones presents an opportunity to incorporate sophisticated communication and monitoring capabilities into a diverse range of devices. Home digital assistants and voice-enabled navigation devices are popular examples that are currently propelling significant growth in voice-controlled electronics. With MEMS technology gaining dominance in the microphone space, it is an opportune moment to look at the various electrical interfaces for MEMS microphones and how to operate them. This article will compare three of the most popular options: analog, digital PDM, and digital I2S, taking into consideration their pros, cons, and implementation.
Basic MEMS mic construction
The typical configuration of MEMS microphones involves integrating two semiconductor chips into a single package. The first semiconductor chip comprises a MEMS membrane that transforms sound waves into an electrical signal, whereas the second chip constitutes an amplifier that may incorporate an analog-to-digital converter (ADC). In cases where the MEMS microphone lacks an ADC, an analog output signal is provided to the user, while a digital output signal is made available when the ADC is present.
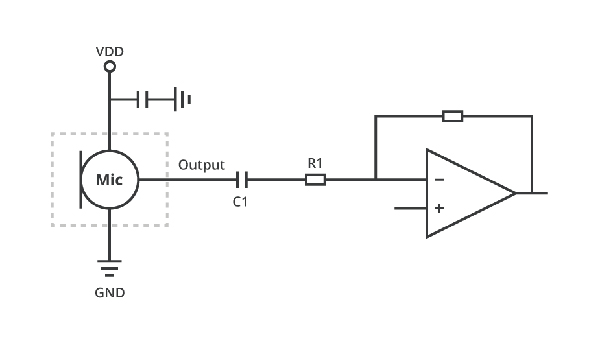
Analog output overview
MEMS microphones that come with analog outputs offer a simple interface to the host circuit, as depicted in Figure 1 below. It is worth noting that the internal amplifier of the microphone drives the analog output signal, which is already at a reasonable signal level and features a relatively low output impedance.
To avoid having to match the dc input voltage of the host circuit with the dc output voltage of the MEMS microphone, a dc blocking capacitor (C1) is utilized. The combination of C1 and R1 forms a pole frequency that must be set low enough to ensure that the desired audio frequency signals are transmitted to the host circuit with an acceptable level of attenuation [i.e., for a minimum audio frequency range of 20 Hz; 1/(2πR1*C1) < 20 Hz].
Figure 1: Analog MEMS microphone connected to an external amplifier. (Image source: Same Sky)
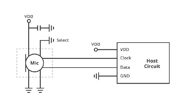
Digital output overview
MEMS microphones that feature a digital interface often utilize pulse density modulation (PDM) or I²S to encode the output signals. In PDM, the analog signal voltage is transformed into a single-bit digital stream that contains a corresponding density of logic-high signals. PDM provides several advantages such as immunity to electrical noise, bit error tolerance, and a straightforward hardware interface.
Figure 2 illustrates how a single digital PDM microphone can be connected to a host circuit. The "Select" pin in the figure can be connected to either Vdd or Gnd to determine whether the data is asserted on the rising or falling edge of the clock signal.
Figure 2: Single connection of a digital PDM MEMS microphone. (Image source: Same Sky)
Figure 3 depicts how two digital PDM MEMS microphones can be connected to the host circuit using shared clock and data lines. This configuration is often used when implementing stereo microphones.
Figure 3: Connecting two digital PDM MEMS microphones using the clock and data lines. (Image source: Same Sky)
Digital I²S output MEMS microphones provide comparable system benefits to PDM outputs. These microphones have an internal decimation filter, which simplifies interfacing and processing by producing a standard audio sample rate. Due to the decimation process occurring internally, digital I²S MEMS microphones are able to connect directly to a digital signal processor (DSP) or other controller. This eliminates the need for an ADC or codec to process the outputted data, resulting in lower system design costs and space savings in the final application.
Like digital PDM MEMS microphones, two digital I²S MEMS microphones can be connected using a common data line. However, this configuration requires two clock signals in addition to a word clock and bit clock.
Analog or digital – which to choose?
In electrical engineering, the choice between analog or digital output signals for MEMS microphones depends on the intended use of the output signal. Analog output signals are suitable for applications where they will be connected to an amplifier for analog processing within the host system, such as in a simple loudspeaker or radio communication system. MEMS microphones with analog outputs also have lower power consumption compared to those with digital outputs, since they do not require an ADC.
On the other hand, a digital output signal from a MEMS microphone is preferable if the signal will be used in digital circuitry, such as a microcontroller or digital signal processor (DSP). Digital output signals are also useful in electrically noisy environments, since they exhibit greater electrical noise immunity compared to traditional analog signals.
Conclusion
MEMS microphone technology is becoming increasingly popular and is only expected to continue to grow in use. It is important to understand the different configurations available and how they can be applied to specific use cases. When deciding between analog or digital outputs for a MEMS microphone, it is essential to consider how the output signal will be used and the intended system implementation to ensure optimal performance. Same Sky offers analog, digital PDM, and digital I2S MEMS microphones as well as a range of audio component solutions to address a variety of sound application needs.
Disclaimer: The opinions, beliefs, and viewpoints expressed by the various authors and/or forum participants on this website do not necessarily reflect the opinions, beliefs, and viewpoints of DigiKey or official policies of DigiKey.




