How to Safely and Efficiently Switch Current or Voltage Using SSRs
Contributed By DigiKey's North American Editors
2019-02-26
As electronic control permeates consumer, commercial, medical, and industrial applications, there is an increasing need for low voltage or low current circuits to switch high voltage or high current circuits. While electromechanical relays (EMRs) have their place, solid state relays (SSRs) are often preferred due to their small size, lower cost, high speed, low electrical and audible noise, and reliability.
While they may be popular, to apply SSRs correctly designers need to understand the nuances of their physical and electrical operation and characteristics. They can then carefully match the right SSR to the application’s input, output, load, and thermal situation to ensure a successful design.
This article will discuss the nuances of SSRs, how to apply them correctly, and introduce some of the latest SSR solutions to the problem of switching higher voltages and currents.
SSR basics
SSRs have a variety of other names depending on the maker or supplier. For example, Omron calls them MOS FET relays, while Toshiba calls them photo relays (Table 1).
|
Table 1: Although the core operating principle is the same, different suppliers use a variety of designations for their SSRs, some highlighting their unique or proprietary SSR implementation. (Image source: Omron Corp.)
Regardless of the nomenclature used, the operating principle is the same and is an extension of the well-known and widely used optocoupler (also called an optoisolator). In its simplest form, there is an LED on the input side and a phototransistor on the output side, separated by an optical path on the order of millimeters (Figure 1). Depending on the voltage and current levels, a photosensitive SCR or TRIAC may be used instead of the phototransistor.

Figure 1: The physical arrangement of the optoisolator is deceptively simple: an LED converts electrical energy into photons, which in turn energize the phototransistor to have a low VBE drop; the optical path ensures galvanic isolation. (Image source: Technogumbo)
When the LED is energized, the photons it generates energize the phototransistor, which then goes into conductive mode allowing current to flow to the load. This is called the “on” state. When the LED is off, the phototransistor is off or non-conducting, and looks like a good (but not perfect) open circuit.
The galvanic isolation between the LED and phototransistor is typically in the range of several thousand volts due to the LED/phototransistor separation, as well as an optically transparent insulating barrier. Note that isolation is a voltage breakdown parameter and is not the same as input to output resistance, which is on the order of 1000 to 1 million megaohms (often loosely referred to as “infinite” resistance). Switching time between on and off states is typically specified at a few microseconds.
However, a complete SSR is more than just an LED and phototransistor or photosensitive SCR/TRIAC. It also requires additional circuitry and functions on both the input LED side and the output photosensitive side (Figure 2).

Figure 2: A complete SSR requires additional circuitry and functions on both the input LED side and the output photosensitive side. (Image source: Omron Corp.)
While SSRs are relatively simple devices, there are design-in considerations related to the input and the magnitude and type of the isolated load, as well as special circumstances to consider when using one.
When selecting an SSR, the designer needs to know the input drive level and type (AC or DC), and the load characteristics including maximum current, maximum voltage, and type (again, AC or DC). SSRs are available that can be driven with anywhere from a few volts to tens and even higher voltages, although lower voltage inputs are increasingly common and are more compatible with modern electronics for both safety and efficiency reasons.
If the input driver is DC, it may be able to drive the SSR input LED directly. If it is AC, the designer needs to add a bridge rectifier ahead of the SSR. It’s likely that an otherwise identical SSR is available with the bridge already built into the unit. The internal rectification option is often a wise choice as it avoids having to deal with subtle layout problems, while also providing fully specified input/output performance. The typical input sensitivity for an SSR spans about 6 milliwatts (mW).
The output side of the SSR is somewhat more complicated than the input, depending on the nature of the load. If the output of the SSR is just a transistor, FET, or single SCR, it can conduct only in one direction. Thus, it can only be used with DC loads, examples of which include non-line powered heaters. For AC loads, a TRIAC or SCR pairing is used. Vendors usually offer similar SSRs with DC only or AC outputs. In general, the AC output SSRs can also be used for DC. Output ratings span a wide range of a few volts or amperes to tens and hundreds of volts or amperes.
SSR options: NO/NC contacts and multipole
The standard SSR has a single normally open (NO) output arrangement. However, there are many applications which need the opposite, a normally closed (NC) configuration, with the output stage opening when power is applied to the input stage. Also, there are designs that simultaneously need both NO and NC action, and even a combination of one NO, one NC, and perhaps a few other contact poles.
To meet the need for multiple poles as well as NO and NC contacts, users could add tailored output circuitry, but there are at least four problems with this approach. First, it’s often a high voltage and/or high current scenario, so the design has many inherent challenges. Second, it needs to meet and be approved for the various regulatory safety standards. Third, it’s another thing to do on a project. Fourth, verifying the resultant performance is a complicated task.
Alternatively, users could invert the input signal via a small circuit so that the NO SSR would be closed with no signal, and open when an input signal is applied. However, this brings potential safety issues with respect to the SSR’s output status when the input side power fails, as the relay output will revert to its “native” NO state. Recall that an SSR’s input power and the output power supplies are independent by the definition of isolation. Thus, the designer may not be able to guarantee a known fail-safe output mode.
When situations where more than a single pole is needed, multiple SSRs can be driven in series or parallel. It is a viable solution but requires careful consideration of the required drive current and voltage, as well as the consequences of failure of a device in a series or parallel topology. Using multiple SSRs also adds to the BOM and uses up more board space.
Recognizing these NO/NC and multipole needs, vendors have added additional circuitry within the SSR to provide different output arrangements with full test and certification. Many of these SSRs are available via families with similar specifications, except for the specifics of the output configuration which simplifies their selection and use.
For example, IXYS Integrated Circuits Division offers three SSRs with nearly identical performance and 3,750 VRMS input/output isolation, but with different output structures:
• The LAA110 contains two single-pole, NO (1-Form A) relays, each rated for 350 volts/120 mA (AC or DC), and is available in 8-pin DIP, SMT, and flat pack housings (Figure 3).

Figure 3: The LAA110 from IXYS is a basic two-channel SSR with two independent inputs and their respective NO outputs. (Image source: IXYS)
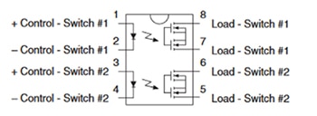
• The LCC110 has one NO/NC contact pair (1-Form-C) driven by a single input with the same ratings and packages as the LAA110 (Figure 4).

Figure 4: The LCC110 from IXYS is a basic two-channel SSR with a single input controlling one NO and one NC output pole. (Image source: IXYS)
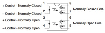
• The LBA110 comprises two independent relays: a single-pole, normally open (1-Form-A) relay and a single-pole, normally closed (1-Form-B) relay, again with the same overall ratings and package options (Figure 5).

Figure 5: Another member of the family is the IXYS LBA110, a two-channel SSR with separate inputs for each of the NO and NC output poles. (Image source: IXYS)
A similar set of options is available for most higher power SSR families. It may be tempting to simply parallel multiple SSR outputs to achieve a required rating if the current rating of a single lower current SSR is not adequate. In general, though, this is not good engineering practice for several reasons.
First, even SSRs with the same nominal rating are not perfectly matched. As such, one SSR could end up handling more current than the other, stressing it beyond its current and thermal limits causing premature failure. Second, if one of the multiple SSRs fails for whatever reason, the others will be carrying excessive current and will soon fail in a cascade sequence. For these reasons, it’s better to select a single SSR with a proper output rating.
SSR protection and limits
Although SSRs are fairly rugged, there are situations where they need some additional protection. For SSRs that are switching resistive (non-inductive) AC loads, such as heaters of incandescent bulbs, it may be necessary to specify that a synchronous SSR switches the output on/off only at zero crossings of the AC line, irrespective of the input control signal timing (Figure 6).

Figure 6: A synchronous SSR is designed to switch its output only at zero crossings of the AC line to minimize EMI generation: a) non-synchronous SSR waveforms for a resistive load; b) synchronous SSR waveforms for a resistive load. (Image source: Crydom, via Omega Engineering)
Switching only at zero crossings will minimize or eliminate line and radiated noise resulting from initiating or terminating the AC output waveform in mid-cycle. However, designers need to be aware that zero-crossing SSRs may not be able to turn off with highly inductive loads. To account for this, SSR vendors also offer so-called random-switching SSRs that turn on/off at the instant called for by the input transition. Again, the designer must understand the load and choose the appropriate SSR from the vendor catalog.
There are also thermal considerations due to internal losses when using an SSR. Even when the output is on, there is a small but critical drop across the active element, just as there would be for a MOSFET driving a motor, for example. The resultant heat must be dissipated by the SSR. As such, vendors offer SSRs with specifications which define the allowable operating temperature at maximum load, along with thermal derating curves. The SSR’s thermal environment can be modeled using standard tools. Larger SSRs, with higher generated heat, may need more complicated heat sinking arrangements, while the smaller SSRs can often use standard IC heatsinks.
SSRs for larger loads with the higher heat dissipation requirements also have increasingly large physical configurations. SSRs are available in housings ranging from 6-lead SOICs for smaller loads, to large modules for larger loads, as well as in packages that can be panel mounted, rail mounted, or free-standing.
For example, Vishay's LH1510 SSR, an SPST-NO (1-Form-A) device, is rated for operation to 200 volts at 200 mA, and is housed in a standard 6-lead SMT or DIP package (Figure 7). It can be used with either AC or DC loads (Figure 8). Despite its diminutive size, this SSR offers 5300 VRMS continuous and 8000 VRMS transient peak isolation ratings.

Figure 7: The low power Vishay LH1510 SSR is an SPST-NO device rated at 200 volts at 200 mA and is available in a 6-lead surface mount package as well as a DIP housing. (Image source: Vishay Semiconductors)

Figure 8: Due to the number of available package leads, the LH1510 can be configured for AC/DC output or DC only output requirements, but with slightly different specifications for each mode. (Image source: Vishay Semiconductors)
In contrast, the EL240A series of AC output panel mount SSRs from Crydom/Sensata Technologies supports output ratings of 5 A, 10 A, 20 A and 30 A at 24 to 280 volts AC, with options for 5, 12 and 24 volt DC control inputs. For this amount of power, the SSRs come in larger modules measuring 36.6 × 21.1 × 14.3 millimeters (mm) with quick connect terminals (Figure 9). Note that the overall physical size is not an indication of isolation as this larger module is rated at 3,750 VRMS isolation, somewhat less than the much smaller 6-pin Vishay package.

Figure 9: The EL240A series of SSRs from Crydom/Sensata Technologies support currents up to 30 A and control inputs of up to 24 volts DC. (Image source: Crydom/Sensata Technologies)
The load of the EL240A series can be connected to either output leg providing design flexibility (Figure 10). The larger size of these modules allows the vendor to add an LED indicator (also shown in Figure 10) for quick visual assessment of the SSR input status.

Figure 10: The load can be connected to either output leg of the EL240A series, giving greater design flexibility. (Image source: Crydom/Sensata Technologies)
Look outside the SSR, too
As with most power related devices, there are issues beyond external maximum power, voltage, current, and thermal dissipation. The SSR’s physical wiring, buss bars, or printed circuit board traces must also be sized to carry the load current without excess IR drop. Likewise, for the connections to the SSR, whether via discrete wires, sockets, or pc board soldering, all must be adequately sized and rated.
Even at low current levels, the SSR may be switching higher voltages. In this situation, the concern is user safety, including mandated minimum clearance and creepage versus voltage (Figure 11). Such requirements are defined by IEC/UL 60950-1, IEC 60601-1, EN 60664-1:2007, and VDE 0110-1, among the many standards.

Figure 11: Clearance (top) is the shortest path between two conductive parts, or between a conductive part and the bounding surface of the equipment, measured through air. Creepage (bottom) is the shortest path between two conductive parts, or between a conductive part and the bounding surface of the equipment, as measured along the surface of the insulation between them. (Image source: Optimum Design)
Clearance is defined as the shortest path between two conductive parts, or between a conductive part and the bounding surface of the equipment, measured through air. Creepage is defined as the shortest path between two conductive parts, or between a conductive part and the bounding surface of the equipment, measured along the surface of the insulation between them. Complying with the requirements for these two parameters helps ensure there is no flashover, sparking, or user exposure to high voltages.
While the SSR itself may be rated to provide several thousand volts of isolation, it is important that any connections to the SSR maintain the requisite distance for the voltages in use to be certified.
SSRs may also need external protection. An AC load SSR may see high voltage spikes when its own or nearby inductive loads are switched off, damaging the SSR output structure. The most common solution is to place one or more protective elements such as a metal oxide varistor (MOV) or transient voltage suppressor (TVS) across the load terminals of the SSR as voltage clamps (Figure 12).

Figure 12: The output of the SSR may need external protection against voltage spikes, such as those generated by the switching of inductive loads. This protection can be provided by an MOV or TVS. (Image source: Phidgets, Inc.)
Sizing these devices requires analysis of the load’s v = L(di/dt) magnitude. If the MOV voltage rating is too high, it will not protect against lower value spikes which may still cause damage; conversely, if it is too low, it will be frequently “triggered” and MOVs do degrade and wear out with repeated overvoltage spikes.
In addition, the on/off switching of an inductive load using an AC SSR with a TRIAC or thyristor output will cause a dv/dt voltage transient which may cause faulty SSR turn-on. Although this false ignition does not damage the SSR as a voltage spike induced by di/dt does, it is obviously still a problem. To prevent this occurrence, an RC snubber circuit is also added to suppress the sudden rise in the voltage seen by the TRIAC (Figure 13).

Figure 13: An RC snubber of the SSR output prevents false turn-on due to inductive loads. (Image source: Omron Corp.)
The situation for DC SSRs is similar but somewhat simpler. If the load is inductive, the current spike it generates when it is switched off can damage the now open SSR output. The standard solution is to connect a diode with its cathode on the positive terminal to provide a path around the SSR for the current to flow and dissipate (the same technique is used with the coils of EMRs and solenoids).
Conclusion
Solid state relays are extremely useful and powerful components for on/off switching of AC and DC loads while providing electrical isolation between control and load. They are inherently rugged and straightforward to apply, but designers must carefully assess the input, output, load, and thermal situation to choose an appropriate SSR and employ it to reliably realize its performance capabilities.
Disclaimer: The opinions, beliefs, and viewpoints expressed by the various authors and/or forum participants on this website do not necessarily reflect the opinions, beliefs, and viewpoints of DigiKey or official policies of DigiKey.


