Gallium Nitride Integrated Circuits Boost Power Supply Efficiency
Contributed By DigiKey's North American Editors
2025-10-28
In today’s electronic world, power converters are needed for everything from medical devices to cell phone and laptop chargers to auxiliary power supplies. Shrinking package sizes, heat management, variable input voltages, and smart charging protocols all complicate the design of power supplies and converters, while the emphasis on efficiency grows.
Over the past decade, new switch technologies have emerged using integrated circuits (ICs) on gallium nitride (GaN) chips. GaN circuits behave differently on an atomic level, presenting both challenges and solutions for designers of power converters.
GaN semiconductors have a wide bandgap; at 3.4 eV, it is over three times that of silicon semiconductors. Like other wide bandgap materials, GaN semiconductors are able to operate at higher voltages, temperatures up to +400°C that allow its usage in higher power applications, and higher frequencies that make them useful in radio frequency (RF) and 5G applications.
In power converter applications, GaN integrated circuits optimize transistor-related losses like series impedance (RDS(ON)) and parallel capacitance (COSS) at smaller physical sizes than silicon ICs. In the same footprint as a silicon IC, GaN ICs can handle higher frequencies while generating less heat, a property that can allow designers to downsize or eliminate bulky heat sinks.
However, GaN transistors can be tricky to control. Their tolerance for high frequencies means that the controlling driver must be physically close to the transistor to remove latency and effectively slow down the transistor’s switching speed, avoiding unwanted electromagnetic interference (EMI). Power converter designers who use GaN overcome these challenges by utilizing a single device that combines high-voltage power switches for the primary side (input) and control ICs for the secondary side (output), along with feedback circuitry.
Switching specifics
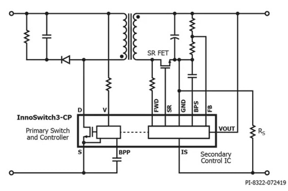
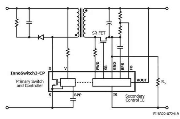
Power Integrations has created several families of these packages using its InnoSwitch3 with PowiGaN™ technology. For example, the InnoSwitch3-CP family of switcher ICs (Figure 1) uses quasi-resonant (QR) flyback controllers to supply constant voltage (CV)/constant current (CC) outputs for a constant power (CP) profile.
The primary and secondary sides of the IC are galvanically isolated, but output voltage and current information are transmitted from the secondary controller to the primary controller via inductive coupling. This FluxLink communication technology quickly delivers accurate information to enable fast load-transient responses and switching frequencies up to 70 kHz.
Figure 1: The InnoSwitch3-CP family of switcher ICs has primary and secondary controllers that are galvanically isolated but share feedback via a magnetic link (dotted line). (Image source: Power Innovations)
ICs in the InnoSwitch3-CP family can handle 50 W to 100 W without the need for heat sinks, reducing the overall volume of the power supply. These components are rated for continuous operation at 650 V, but are able to withstand surges up to 750 V. Industrial models are designed to withstand 900 V or 1,700 V.
Power supplies using ICs from the InnoSwitch3-CP family demonstrate 94% efficiency across the allowable load range, compared to about 90% for silicon-based switches. This high efficiency, along with their minimal power draw (less than 30 mW), helps the InnoSwitch3-CP family meet global energy efficiency regulations.
To ensure safety and long component life, the InnoSwitch3-CP family of ICs has reinforced galvanic isolation of 4,000 VAC per Underwriters Laboratories (UL) 1577 between the primary and secondary sides, and each unit is HIPOT tested. Other safety features include detection of and response to an open gate in the synchronous rectifier field-effect transistor (SR FET), input line undervoltage or overvoltage, and output overvoltage. The IC controller can also limit overcurrent and shut down before overheating.
ICs in the InnoSwitch3-EP family (Figure 2) are similar to those in the InnoSwitch3-CP family. Instead of being optimized for a single constant-power output, they use weighted secondary-side regulation (SSR) to average the voltages of multiple outputs into a control signal.
Figure 2: The InnoSwitch3-EP family of switcher ICs has a range of output power dependent on the input voltage. Schematically similar to InnoSwitch3-CP ICs, they have an optional current-sensing resistor on the secondary side. (Image source: Power Innovations)
The InnoSwitch3-EP family of ICs also has a voltage-dependent output. At 750 V, InnoSwitch3-EP ICs will output 50 W to 100 W; at 1,250 V, they output up to 85 W. Designed for high-voltage switch operation, they have a breakdown voltage of 1,700 V.
On the secondary side, a current-sensing resistor is optional for the InnoSwitch3-EP family. When this sensing capability is enabled, the units can be configured to auto-restart after the load current is higher than a set threshold for a predetermined amount of time.
InnoSwitch3-CP ICs are often chosen for consumer power converters like those built to the USB power delivery (PD) protocol, QuickCharge (QC) protocol, or other proprietary protocols. With their higher voltage capabilities and flexibility, InnoSwitch3-EP ICs are a good choice for power supplies in industrial settings and for utility meters and smart grids. They are also used in appliances’ auxiliary, standby, and bias power supplies.
Programmable power
More dynamic management of inputs, outputs, and faults is available with InnoSwitch3-Pro ICs (Figure 3) via an Inter-Integrated Circuit (I2C) digital interface. Users can also set the full-load switching frequency at a custom value between 25 kHz and 95 kHz, choosing a lower value to minimize heat buildup in large transformers or higher frequencies for small transformers.
Figure 3: The InnoSwitch3-Pro family of switcher ICs is configured to be digitally controlled via an I2C interface that enables remote status monitoring, voltage and current adjustment, and a customized switching frequency. (Image source: Power Innovations)
Having a microcontroller in the loop gives ICs in the InnoSwitch3-Pro family additional protection options. Users can independently configure their desired responses to output overvoltage and undervoltage faults. They can also monitor input voltage and ensure protection from brown-in/brown-out situations and overvoltage. The microcontroller also detects open SR FET gates and manages hysteretic thermal shutdown to better protect the IC.
The highly configurable design of InnoSwitch3-Pro ICs, their low heat dissipation, and their high efficiency make them ideal for use in charging adapters that meet protocols such as USB PD 3.0, QC, Adaptive Fast Charge (AFC), Fast Charge Protocol (FCP), and Super Charge Protocol (SCP). Designers also choose them for battery chargers and adjustable LED ballasts where compact designs with minimal heat buildup are required.
Compact capacitors
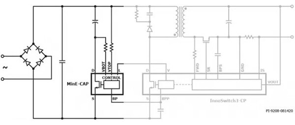
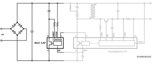
Switching ICs like those in the InnoSwitch3 line are only a small part of the architecture of power converters and supplies. For example, a bulk capacitor, which is an energy-storage component that smooths out fluctuations in AC power entering a power supply, can take up 25% of the space in that power supply.
Using PowiGaN IC switching technology, Power Integrations developed MinE-CAP, an IC switch and controller that works with two smaller capacitors to provide the appropriate capacitance for a given supply voltage (Figure 4). A ceramic or electrolytic capacitor that can handle up to 400 V and rated from 1 µF to 5 µF is always active. MinE-CAP activates an additional electrolytic capacitor rated for 160 V but with a higher capacitance when a lower voltage is detected.
In addition to reducing the space needed by up to 40% by splitting the bulk capacitor into two smaller halves, MinE-CAP also eliminates the need for an inrush negative temperature coefficient (NTC) thermistor. The capacitors controlled by MinE-CAP are instead sized to handle inrush current when the power supply is turned on.
Figure 4: MinE-CAP is a GaN-based IC controller that allows a power supply’s bulk capacitor to be split into two smaller units, reducing the volume needed by up to 40%. MinE-CAP is designed to work with InnoSwitch3 DC/DC conversion products. (Image source: Power Innovations)
Conclusion
Switching ICs that combine transistors, control ICs, and feedback circuitry using GaN semiconductors capitalize on the material’s resistance to high temperatures, voltages, and frequencies. These ICs enable smaller printed circuit boards, the elimination of heat sinks, and the creative placement of capacitors, allowing multi-function power supplies to fit into more compact packages. GaN products like Power Integration’s InnoSwitch3 with PowiGaN lines will likely continue to interest designers chasing greater power density and further miniaturization.
Disclaimer: The opinions, beliefs, and viewpoints expressed by the various authors and/or forum participants on this website do not necessarily reflect the opinions, beliefs, and viewpoints of DigiKey or official policies of DigiKey.



