Cost Effectively Meeting International Standards with Board Mounted AC/DC Power Supplies
Contributed By DigiKey's North American Editors
2021-05-11
Board mounted AC/DC power supplies from 3 to 20 watts are being used across a growing variety of applications including Internet of Things (IoT) and Industrial IoT (IIoT), Industry 4.0, industrial automation, audio visual equipment, information technology equipment (ITE), smart house/building, white goods, and consumer appliances. While it can be tempting to try and design low-wattage AC/DC power supplies, the process is more complex and time-consuming than it may appear to be at first glance. Designs need to meet challenging performance requirements including wide input voltage ranges, peak power delivery, and high-power densities. They also must be certified to numerous international standards for safety, efficiency, standby power, and electromagnetic compatibility (EMC).
Instead, designers can use compact board-mounted AC/DC power supplies that are certified to all relevant international performance standards, speeding time to market. These efficient power supplies have wide input voltage ranges and can accept AC or DC inputs for flexibility and worldwide compatibility.
This article briefly explores general AC/DC power supply application considerations. It then gives examples of three board-mounted AC/DC power conversion options from RECOM Power’s RACxx-K Series, identifying key features and benefits of specific products and how they are applied.
AC/DC converter combinations
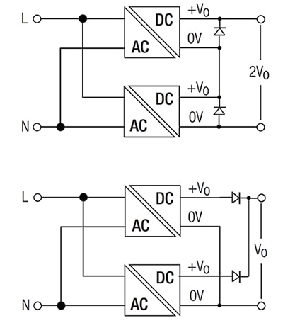
AC/DC power supplies can be connected in series or parallel to provide higher power levels or redundant hot-swap operation (Figure 1).
Figure 1: Two AC/DC converters can be connected in series for higher voltage (top) or in parallel for higher current and/or redundant operation (bottom). (Image source: RECOM Power)
Parallel connected power supplies (the lower configuration in Figure 1) can be used to provide higher currents or higher reliability through redundancy. Higher currents are possible when both power supplies are operated at or near their fully rated output currents. The output voltage does not change, but the available current is increased, upping the output power.
Redundant power configurations use multiple power supplies to increase system reliability, not to increase the available power level. Redundant configurations can take several forms. In one topology, the system is configured to draw power from only the “primary" power supply during normal operation and to automatically switch to the “backup” power supply in the event that the primary supply fails.
N+1 redundancy is another common topology used to increase power supply reliability. An N+1 system consists of two or more power supplies. In Figure 1, the lower configuration can be used as a redundant architecture with “N” = 1. In this case, each of the power supplies runs at 50% of capacity during normal operation, and each one can provide the full load power should the other power supply fail.
Instead of paralleling power supplies to increase the available power, it can also be increased by connecting power supplies in series (top configuration in Figure 1). In this example, both power supplies have the same output voltage, VO, and the series configuration delivers 2VO. Since the current delivered to the load does not change, doubling the voltage doubles the effective power.
Both of the configurations in Figure 1 include ORing diodes to isolate the outputs of the power supplies. If one of the power supplies fails, the ORing diodes protect the system from catastrophic failure. The ORing diode current rating should be greater than the output current rating of the power supply, and the breakdown voltage rating must be greater than the power supply output voltage.
AC/DC input considerations
While there are several ways to connect the outputs of two or more AC/DC power supplies together for additional functionality, it is not possible to connect the inputs of two AC/DC converters to increase the input voltage range. It’s for that reason that wide input (also called universal input) AC/DC power supplies are increasingly popular. Fuse protection is also an important consideration for AC/DC power supply inputs (Figure 2).
Figure 2: Typically, a single input fuse is used (top), but if the input is not polarized, fuses can be placed in both input lines (bottom). (Image source: RECOM Power)
The use of time delay (also called slow blow) fuses is generally recommended. Fuses can be connected to both input lines if the ac input is not polarized. Typical fuse size recommendations for single-phase AC/DC power supplies are 1.5 amperes (A) for outputs under 40 watts, 2 A for outputs over 40 watts but less than 60 watts, and 3 A for outputs of 60 watts or more.
If the AC/DC power supply has a ground pin (FG), it must be earthed to a safety ground point. The -VOUT output voltage can be connected to FG, referencing the +VOUT output to ground. Designers should specify short, thick interconnects to guarantee solid connections to further reduce electromagnetic interference (EMI) (Figure 3).
Figure 3: The output voltage can be connected to Earth to reference the output to ground. (Image source: RECOM Power)
3 watts for IoT, IIoT, and household applications
For designers of IoT, IIoT, and household applications requiring 3 watts of power, RECOM offers the RAC03E-K/277 AC/DC power supply which delivers a single, tightly regulated 12 volt DC output (other models are available with outputs from 3.3 to 24 volts DC). These internationally certified power supplies feature an enhanced wide input voltage range from 85 to 305 volts AC or 120 to 430 volts DC and conform to ErP standby power requirements. The RAC03E-K/277 series has a wide operating temperature range, delivering full output power from -30 to +75°C (except for 3.3-volt output units which deliver full power to +70°C) under natural convection cooling (Figure 4).
Figure 4: The RAC03E-K/277 series devices have a wide operating temperature range, delivering full output power from -30 to +75°C (except for 3.3-volt output units which deliver full power to +70°C). (Image source: RECOM Power)
These power supplies have a footprint of 1.45 inches by 0.95 inches and a low 15.4 millimeters (mm) profile. Their 4 kV AC input to output isolation makes them suited for worldwide applications, and they meet the following standards:
- UL/IEC/EN62368-1 certified
- CAN/CSA C22.2 No. 62368-1 certified
- EN60335-1 (pending)
- EN62233 (pending)
- IEC/EN61558-1/2-16 (pending)
- EN55032/EN55035 compliant
10 watts for process automation and smart buildings
The 140% peak power capability of the 10-watt RAC10-05SK/277 5 volt dc output AC/DC power supply supports the transient power needs of systems with inductive, high start-up current or nonlinear loads such as process automation and smart building applications (Figure 5). These printed circuit board (pc board) mounted AC/DC power supplies have international safety certifications for both industrial and household standards.
Figure 5: The 10-watt RAC10-05SK/277 AC/DC power supplies have international safety certifications for both industrial and household standards. (Image source: RECOM Power)
The 10-watt models are available with single output voltages from 3.3 to 24 volts DC, or in dual output versions which deliver ±12 or ±15 volts DC. These power supplies meet IEC62477-1 power supply overvoltage category III (OVC III) for industrial systems used in fixed installations, and for cases where the reliability and the availability of the equipment is subject to special requirements. The power supplies in these installations typically have a permanent, hard-wired connection to the AC distribution panel. Like the 3-watt RAC03E-K/277 discussed above, these AC/DC power supplies have an extra-wide input voltage range of 85 to 305 volts AC or 120 to 430 volts DC.
20-watt power supplies with ultra-low no-load power
Designers of IoT and smart devices can benefit from using the 20-watt RAC20-K series of AC/DC modules. For example, the RAC20-48SK version produces a 48 volt DC output with only 40 milliwatts (mW) of no-load power consumption in always-on and standby mode applications. These power supplies feature ErP Lot 6 Standby Mode Conformity. They are available with a wide input range of 85 to 264 volts AC, and an optional extra-wide input range of 85 to 305 volts AC or 120 to 370 volts DC. Modified versions of these power supplies meet IEC62477-1 power supply OVC III. These pc board mounted power supplies are available with single output voltages from 5 to 48 volts DC, or in dual output versions which deliver ±12 or ±15 volts DC. These power supplies feature high efficiency from light loads to full load, as shown in the plot for the RAC20-05SK 5 volt version (Figure 6).
Figure 6: The efficiency versus output load plot for the RAC20-05SK (5-volt output model) shows high efficiency from light loads to full load. (Image source: RECOM Power)
The RAC20-48SK AC/DC power supplies comply with EN 55022 Class B Conducted Emissions requirements without any additional filtering. They have an operating temperature range of -40°C to +85°C, and come with international safety certifications for industrial, audio visual and information technology equipment including (* = pending for the extra-wide input models):
- IEC/EN62368-1 certified
- UL62368-1 certified
- CAN/CSA-C22.2 No. 62368-1-14 certified
- IEC/EN60335 certified *
- IEC/EN61558-1 certified *
- IEC/EN61558-2-16 certified *
- IEC/EN61204-3 compliant *
- EN55032/14 compliant *
- EN55024 compliant *
Two outputs from a single output
As noted above, the 3-watt RAC03E-K/277 is only available in a single output design. The 10 watt RAC10-05SK/277 and the 20 watt RAC20-48SK AC/DC power supplies are offered with single and dual outputs. However, the dual output configurations are limited to ±12 or ±15 volts DC. In some applications, a different combination of output voltages may be needed. In those cases, designers can pair a single output AC/DC power supply with a lower wattage DC/DC converter or switching regulator to deliver an auxiliary output voltage, or a negative output rail (Figure 7).
Figure 7: A switching regulator (R-78xx, on the top) or a DC/DC converter (bottom) can be combined with an AC/DC power supply to produce an auxiliary output voltage (top), or a negative voltage rail (bottom). (Image source: RECOM Power)
More EMI filtering
The RECOM RAC series AC/DC power supplies discussed in this article all have a built-in line filter that meets EN 55022 Class B Conducted Emissions. In more demanding applications additional filtering may be needed. When an external filter is added, a central star-earth wiring topology should be used, and the cabling between the external filter and the converter should be as short as possible (Figure 8).
Figure 8: The RECOM RAC AC/DC power supplies meet EN 55022 Class B Conducted Emissions. An external filter can be added if needed. (Image source: RECOM Power)
Conclusion
The need for low-wattage, board-mounted AC/DC power continues to grow, but they remain complex systems. If a designer isn’t well versed in the nuances of power supply design, test, and regulatory compliance, designing them from scratch can be time-consuming and can add cost, delay design schedules, and take up more board space than is necessary.
A better option in many instances is to choose from a number of off-the-shelf, compact, board mount AC/DC power supplies. As shown, these come in a wide variety of input voltage ranges and can accept either AC or DC inputs. In addition, they are likely to already be certified to any relevant international performance standards and compliance regulations.
Recommended reading
Disclaimer: The opinions, beliefs, and viewpoints expressed by the various authors and/or forum participants on this website do not necessarily reflect the opinions, beliefs, and viewpoints of DigiKey or official policies of DigiKey.




